SKFSYJ40KF轴承详细参数

发布时间:2026-05-30
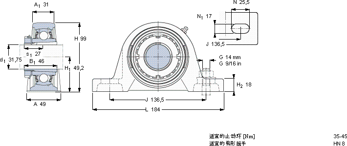
Y-型立式轴承座单元, 铸造轴承座,紧定套
尺寸 基本负荷额定值 限制速度 质量 型号
动态 静态 轴承单元 轴承座 轴承 紧定套
无紧定套
d1 A H H1 L C C0
mm kN r/min kg -
31,75499949,218430,71948001,8SYJ 40 KFSYJ 508YSA 208-2FKHE 2308

SKFSYJ40KFY-轴承座单元供应商

八零动力专业销售SYJ40KFY-轴承座单元,库存SKFSYJ40KF大量现货,与SKF合作,咨询热线:022-58519723业务咨询
SKFSYJ40KF它的径向跳动控制,达到了行业顶尖水平 它的密封性能,减少了润滑剂的泄漏 它的制造工艺,堪称工业艺术的典范 这轴承的设计简直精妙绝伦,每一处细节都彰显着极致的工艺美学这轴承的设计巧妙,充分考虑了设备的运行需求和维护便利性设计独特的轴承,不仅性能优越,还具有很高的性价比,八零动力SKFY-轴承座单元品种全,价格优,质量有保证!

用户关注最多的SKF轴承型号

SKF23172CCK/W33* SKF29232 SKF29396 SKF6300/HR22T2 SKFAS4565 SKFBS2-2224-2CS5/VT143* SKFCR18114 SKFCR35020 SKFCR5650 SKFGEH35TXG3E-2LS SKFNNCF5076CV SKFQJ234N2MA SKFSAW23524x4.1/8 SKFSIKAC14M SKFSYR1.7/16-18

SYJ40KFY-轴承座单元近似的SKF轴承型号

SKFSY40WF SKFSYFL40TR/VE495 SKFP40WF SKFSYKC40NTR/VE495 SKFSYK40TR SKFP85R-40FM SKFSYF40FM SKFSYFL40TH SKFSY40FM SKFP85R-40TR SKFSYJ3/4TF SKFSYJ40TF

用户关注最多的轴承狗热门型号

TIMKEN  GE50KRRB NTN  NU2314E NSK  HR33214J LYC  NNU 49/500 K/W33 NACHI  23948EW33 LYC  33021/DB/C3 SKF  CR18979 国产  6006E ZKL  7312B SKF  CR90X120X12HMSA10RG SNR  7008C/DT LYC  81212 LYC  23072 K TORRINGTON  23134CC/W33 IKO  LWFH40

版权所有©2009-2015 轴承狗zcgou.com ICP备案:津ICP备14004550号-13