SKFSTO17轴承详细参数

发布时间:2026-05-30
不带法兰圈支承滚子,有内圈
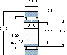
尺寸 基本负荷额定值 疲劳限值 最大径向负荷 限制速度 体积 型号
动态 静态 动态 静态
D d C C C0 Pu Fr F0r
mm kN kN kN r/min kg -
401715,814,217,62,081217,345000,11STO 17

SKFSTO17滚轮轴承供应商

八零动力专业销售STO17滚轮轴承,库存SKFSTO17大量现货,与SKF合作,咨询热线:022-58519723业务咨询
SKFSTO17它的承载能力,堪称机械界的“大力士” 为设备的精确运行提供了保障,该轴承的精度控制精准,为设备的精确运行提供了保障不得不说,这款轴承的品质过硬,在行业内堪称典范,运转起来如此顺滑,这款轴承的制造工艺着实令人赞叹它的加工设备,代表了世界领先水平 它的精密设计,展现了人类智慧的巅峰 ,八零动力SKF滚轮轴承品种全,价格优,质量有保证!

用户关注最多的SKF轴承型号

SKF22222EK+AHX3122* SKF22313E* SKF232/560CA/W33 SKF3205A-2RS SKF6005-2Z/VA201 SKF7308B/DB SKF81209TN SKFCR12X30X7HMSA10V SKFCR526741 SKFLM272235/210 SKFNJ39/500ECMA SKFNU3164ECMA SKFNUP206ECP SKFP72R-1.1/8RM SKFSAF1313

STO17滚轮轴承近似的SKF轴承型号

SKFNATV17 SKFNUTR1747A SKFRSTO17 SKFPWTR17.2RS SKFNATR17PPA SKFNATR17 SKFNATV17PPA SKFPWTR1747.2RS SKFNUTR17A SKFSTO17 SKFSTO15 SKFSTO20

用户关注最多的轴承狗热门型号

KOYO  37222 LYC  32024 X2R/P5 NTN  NUP213 LYC  NU 2326 EM TIMKEN  23952YM TORRINGTON&FAFNIR  6306-RS NSK  7216BYDT LYC  NH 310 M 国产  7224CETA TIMKEN  24188YMB 国产  606-ZNR FAG  B7213-E-2RSD-T-P4S INA  NKI100/40 国产  61917 RIV  NU204

版权所有©2009-2015 轴承狗zcgou.com ICP备案:津ICP备14004550号-13