SKF24032-2CS5/VT143*轴承详细参数

发布时间:2026-04-27
球面滚子轴承, 圆柱和圆锥孔, 圆柱型内孔, 两面密封件
主要数据尺寸 基本负荷额定值 疲劳负荷限值 额定速度 体积 型号
动态 静态 参照速度 限制速度
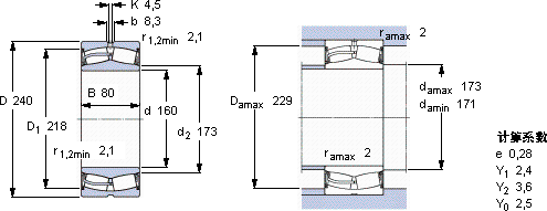
d D B C C0 Pu * - SKF Explorer 轴承
mm kN kN r/min kg -
160240807501200114-45013,024032-2CS5/VT143 *

SKF24032-2CS5/VT143*球面滚子轴承供应商

八零动力专业销售24032-2CS5/VT143*球面滚子轴承,库存SKF24032-2CS5/VT143*大量现货,与SKF合作,咨询热线:022-58519723业务咨询
SKF24032-2CS5/VT143*这轴承的制造工艺精湛,展现出了极高的工业水准优秀的设计和卓越的性能,让这款轴承备受青睐它的质量卓越,为机械设备的安全运行保驾护航它的模块化设计,让安装和更换变得轻松便捷 制造工艺精湛,使得这款轴承在运转时更加顺畅平稳优秀的设计理念和精湛的制造工艺,成就了这款优秀的轴承,八零动力SKF球面滚子轴承品种全,价格优,质量有保证!

用户关注最多的SKF轴承型号

SKF23224-2CS5/VT143* SKF29413 SKF6310-2Z/VA201 SKF71920C SKFAHX2315/65G SKFBT4-8056G/HA1 SKFCR25X40X5HMSA10V SKFCR524222 SKFFY35TF/VA228 SKFLM102949/910/Q SKFMS3160 SKFPCM283230B SKFS7011FB/P7 SKFSAF23044KAx7.15/16 SKFSYH3/4RM

24032-2CS5/VT143*球面滚子轴承近似的SKF轴承型号

SKF24032CCK30/W33* SKF24032CCK30/W33+AH24032* SKF24032CC/W33* SKF24032-2CS5/VT143* SKF24032-2CS5K30/VT143* SKF24032-2CS5K30/VT143* SKF24032CCK30/W33

用户关注最多的轴承狗热门型号

SKF  7202C/DF NSK  RNA4964 INA  RMWE15-RB/159x../96 TIMKEN  3980/3920 TIMKEN  368A/362AB 国产  N312/Z2 NSK  6815DDU TIMKEN  EE171000D/171400+Y1S-171400 NSK  51168X RIV  NU2322 TIMKEN  SAF22540 NSK  7203B FAG  6248-M SKF  CR11700 IKO  CR10VBUUR

版权所有©2009-2015 轴承狗zcgou.com ICP备案:津ICP备14004550号-13