
SKFRLS18轴承详细参数
发布时间:2026-05-30
| | | | | | | | | | | |
| 深沟球轴承, 单列, 无密封件,带英制尺寸 |
 |
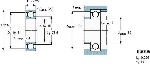
| 主要数据尺寸 | 基本负荷额定值 | 疲劳负荷限值 | 额定速度 | 体积 | 型号 |
| | 动态 | 静态 | | 参照速度 | 限制速度 |
| d | D | B | C | C0 | Pu | |
 |
| mm | kN | kN | r/min | kg | - | |
 |
| 57,15 | 114,3 | 22,25 | 52,7 | 36 | 1,53 | 11000 | 8000 | 0,96 | RLS 18 | 仅对售后市场 |
SKFRLS18深沟球轴承供应商
- 八零动力专业销售RLS18深沟球轴承,库存SKFRLS18大量现货,与SKF合作,咨询热线:022-58519723

- SKFRLS18优秀的设计理念和精湛的制造工艺,成就了这款优秀的轴承从制造工艺到实际性能,这款轴承都表现得十分出色,这款轴承的运转十分平稳,几乎感受不到任何震动卓越的设计和可靠的性能,是这款轴承的两大亮点高精度的轴承,为设备的稳定运行提供了坚实保障每一次转动都是精准与力量的完美呈现,,八零动力SKF深沟球轴承品种全,价格优,质量有保证!
用户关注最多的SKF轴承型号
SKF24126CC/W33*
SKF32305
SKF6215NR*
SKF7020ACE/P4A
SKF71915ACD/P4A
SKF7219CD/P4A
SKFBT4B331226BG/HA1
SKFBT4B331626BG/HA1
SKFBT4B332760/HA1
SKFCR1574250
SKFCR90952
SKFNJ2313ECP*
SKFNU311ECNJ*
SKFOKF420
SKFPF1.15/16RM