
SKFRLS10-2Z轴承详细参数
发布时间:2026-04-26
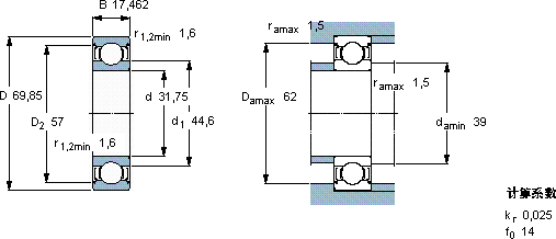
| | | | | | | | | | | |
| 深沟球轴承, 单列, 两面防尘罩, 英制轴承 |
 |
| 主要数据尺寸 | 基本负荷额定值 | 疲劳负荷限值 | 额定速度 | 体积 | 型号 |
| | 动态 | 静态 | | 参照速度 | 限制速度 |
| d | D | B | C | C0 | Pu | |
 |
| mm | kN | kN | r/min | kg | - | |
 |
| 31,75 | 69,85 | 17,462 | 22,5 | 13,2 | 0,55 | 20000 | 10000 | 0,30 | RLS 10-2Z | 仅对售后市场 |
SKFRLS10-2Z深沟球轴承供应商
- 八零动力专业销售RLS10-2Z深沟球轴承,库存SKFRLS10-2Z大量现货,与SKF合作,咨询热线:022-58519723

- SKFRLS10-2Z让您的机械如虎添翼,先进的制造技术,让这款轴承的质量达到了行业领先水平它的故障率极低,确保了设备的稳定运行 该轴承的性能出色,有效提升了机械设备的整体性能品质永相随它的长寿命,减少了更换频率 ,八零动力SKF深沟球轴承品种全,价格优,质量有保证!
用户关注最多的SKF轴承型号
SKF22340CCJA/W33VA405*
SKF23138CCK/W33+AH3138G*
SKF23964CCK/W33+OH3964H*
SKF314889/VJ202
SKF6306*
SKFBT2B332447
SKFCR23815
SKFCR87817
SKFFYT1.WF
SKFFYTJ50TF
SKFGEZ200ES
SKFNK14/16
SKFNNU4932BK/SPW33
SKFOKCS270
SKFSDAFS22528x4.7/8