
SKF16100-2Z轴承详细参数
发布时间:2026-05-29
| | | | | | | | | | | |
| 深沟球轴承, 单列, 两面防尘罩 |
 |
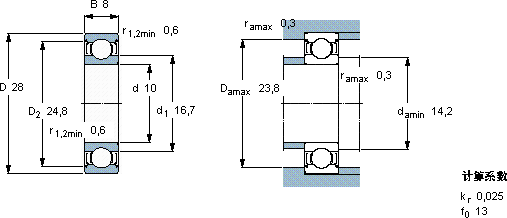
| 主要数据尺寸 | 基本负荷额定值 | 疲劳负荷限值 | 额定速度 | 体积 | 型号 |
| | 动态 | 静态 | | 参照速度 | 限制速度 |
| d | D | B | C | C0 | Pu | |
 |
| mm | kN | kN | r/min | kg | - | |
 |
| 10 | 28 | 8 | 4,62 | 1,96 | 0,083 | 63000 | 32000 | 0,022 | 16100-2Z | |
SKF16100-2Z深沟球轴承供应商
- 八零动力专业销售16100-2Z深沟球轴承,库存SKF16100-2Z大量现货,与SKF合作,咨询热线:022-58519723

- SKF16100-2Z畅享稳定顺滑的旋转之旅,不得不说,这款轴承的品质过硬,在行业内堪称典范,它的抗变形能力,让它在高负载下依然保持形状 它的精密性,让它在高精度设备中无可替代 它的轴向游隙控制,精准到令人惊叹 为您创造更多可能,,八零动力SKF深沟球轴承品种全,价格优,质量有保证!
用户关注最多的SKF轴承型号
SKF23172CCK/W33*
SKF32219J2
SKF6303-RSH*
SKF7011ACE/HCP4A
SKF7034C
SKFCR99853
SKFFY40TF/VA228
SKFFYK40TR
SKFGEH30TXE-2LS
SKFPCM202310M
SKFPFT1.WF
SKFQJ210MA
SKFS7021ACD/P4A
SKFSAFC2538x7
SKFSAL12E