SKFQJ324N2MA*轴承详细参数

发布时间:2026-04-14
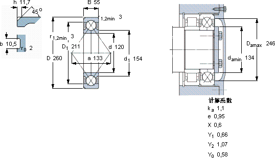
角接触球轴承, 四点接触球轴承
主要数据尺寸 基本负荷额定值 疲劳负荷限值 额定速度 体积 型号
动态 静态 参照速度 限制速度
d D B C C0 Pu * - SKF Explorer 轴承
mm kN kN r/min kg -
1202605541553016,33200450016,0QJ 324 N2MA *

SKFQJ324N2MA*角接触球轴承供应商

八零动力专业销售QJ324N2MA*角接触球轴承,库存SKFQJ324N2MA*大量现货,与SKF合作,咨询热线:022-58519723业务咨询
SKFQJ324N2MA*它的滚动体分布均匀,运转平稳无振动 为设备的精确运行提供了保障,该轴承的精度控制精准,为设备的精确运行提供了保障它的润滑技术,减少了润滑剂的使用 它机械世界的心脏,默默支撑着无数设备的运转 它的故障率极低,确保了设备的稳定运行 它的精密装配,确保了整体性能的卓越 ,八零动力SKF角接触球轴承品种全,价格优,质量有保证!

用户关注最多的SKF轴承型号

SKF353153 SKF61952MA SKF89434M SKFCR100X120X13CRSH1R SKFCR48x68x8CRW1R SKFCR65021 SKFE2.6311-2Z/C3 SKFFYT1.TF/VA228 SKFIR20x25x17 SKFLR40x45x20.5 SKFNNCF4980CV SKFNUTR2052A SKFPCM353940E SKFPWM130145150 SKFSYR1.11/16-18

QJ324N2MA*角接触球轴承近似的SKF轴承型号

SKF7324B/DF SKFQJ324N2MA SKF2x7324BGBM SKFQJ324N2MA* SKF7324B/DB SKF7324BCBM SKFQJ324 SKF2x7324BCBM SKF7324B/DT SKF7324B SKFQJ324N2MA SKFQJ326

用户关注最多的轴承狗热门型号

LYC  22317/C3 NTN  21316K+AH316 TIMKEN  T135 FAG  B71912-C-2RSD-T-P4S INA  G1207-KRR-B-AS2/V SKF  C4138K30V* FAG  2217-K-M-C3 LYC  FCDP106152520/HC/C4/02 NACHI  22224EXK LYC  011.25.692.12 SKF  YHB206-100-2LS8W/VT357 SKF  CR60X82X12HMS5V BARDEN  7232C IKO  CR30VBUU IKO  LWETG20.../U

版权所有©2009-2015 轴承狗zcgou.com ICP备案:津ICP备14004550号-13