SKF7324BCBM轴承详细参数

发布时间:2026-04-14
角接触球轴承, 单列
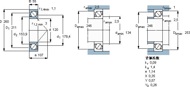
主要数据尺寸 尺寸 [英寸] 疲劳负荷限值 额定速度 体积 型号
动态 静态 参照速度 限制速度
d D B C C0 Pu
mm kN kN r/min kg -
120260552382507,653000320013,87324 BCBM

SKF7324BCBM角接触球轴承供应商

八零动力专业销售7324BCBM角接触球轴承,库存SKF7324BCBM大量现货,与SKF合作,咨询热线:022-58519723业务咨询
SKF7324BCBM其设计和制造都达到了极高的水准,是一款不可多得的轴承它的密封性能,完美抵御灰尘和杂质的侵袭 承载未来铸就卓越品质,轴承的耐用性强,减少了设备的停机维护时间精湛的制造工艺赋予了这款轴承出色的性能和可靠性,八零动力SKF角接触球轴承品种全,价格优,质量有保证!

用户关注最多的SKF轴承型号

SKF22313E/VA405* SKF2x7211BEGBY SKF7234AC/DT SKFCR16384 SKFCR220x260x19.05HS8R SKFCR26260 SKFCR5085 SKFJM205149/110/Q SKFKR32PPA SKFNAO17x35x16 SKFNKI65/35 SKFPF40FM SKFS7017ACD/HCP4A SKFSYFL40TR/VE495 SKFZ215

7324BCBM角接触球轴承近似的SKF轴承型号

SKF7324B/DT SKF2x7324BGBM SKF2x7324BCBM SKF7324BGBM SKF7324B/DB SKF7324BCBM SKF7324B SKF7324B/DF SKF7324BCBM SKF7324B/DT SKF7324BGBM

用户关注最多的轴承狗热门型号

SKF  YAT207-104 SKF  331069 LYC  2787/1278 FAG  ZRB40X87-QP SKF  22256CACK/W33 RHP  7317B FYH  UCP321 LYC  NU 1030 M/C3S1 RIV  NF206 MRC  QJ222 ZKL  NU208 INA  NX10 TORRINGTON  AXK1024 KOYO  6202-2RZ NTN  23040BK

版权所有©2009-2015 轴承狗zcgou.com ICP备案:津ICP备14004550号-13