SKFQJ210MA*轴承详细参数

发布时间:2026-04-14
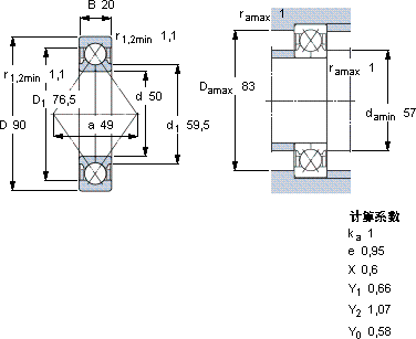
角接触球轴承, 四点接触球轴承
主要数据尺寸 基本负荷额定值 疲劳负荷限值 额定速度 体积 型号
动态 静态 参照速度 限制速度
d D B C C0 Pu * - SKF Explorer 轴承
mm kN kN r/min kg -
50902065,5612,69000130000,59QJ 210 MA *

SKFQJ210MA*角接触球轴承供应商

八零动力专业销售QJ210MA*角接触球轴承,库存SKFQJ210MA*大量现货,与SKF合作,咨询热线:022-58519723业务咨询
SKFQJ210MA*它在机器人领域的应用,展现了它的高精密性 它的承载能力,堪称机械界的“大力士” 它的高效率,让机械运转更加节能 它的耐用性,让人惊叹不已 它的低摩擦设计,减少了能量损耗 该轴承的性能出色,有效提升了机械设备的整体性能,八零动力SKF角接触球轴承品种全,价格优,质量有保证!

用户关注最多的SKF轴承型号

SKF2216K SKF29380 SKF71902ACD/P4A SKF71926CD/P4A SKF7212ACD/P4A SKFBT2B332830 SKFCR12545 SKFCR216x254x15.88CRWH1R SKFCR22441 SKFNJ203ECML SKFNNU4892K/W33 SKFNU426 SKFNU1292MA SKFNUP332ECMA* SKFSDAF23184KAx15.3/4

QJ210MA*角接触球轴承近似的SKF轴承型号

SKF7210BEY SKF7210BECBM SKF2x7210BEGAP* SKF7210BECBY SKF7210AC SKF7210BECBJ SKF7210BECBM* SKF3210A-RS SKF3210A* SKF3210A-2Z/MT33* SKFQJ210MA SKFQJ211

用户关注最多的轴承狗热门型号

MRC  6408 INA  NKIS50 ASAHI  UCFU215 SKF  CR409500 INA  SCH913-P NSK  6006T1XZZ GMN  7000C/DB SKF  7244BCBM INA  GE440-DW SKF  SNL3192L LYC  23136 N/C3 KOYO  22236RHA 国产  51322 RHP  7310B/DT FAG  SNV140-L + 20313-K-MB-C3 + H313X206 + TSV613

版权所有©2009-2015 轴承狗zcgou.com ICP备案:津ICP备14004550号-13