SKFQJ1060N2MA轴承详细参数

发布时间:2026-04-15
角接触球轴承, 四点接触球轴承
主要数据尺寸 基本负荷额定值 疲劳负荷限值 额定速度 体积 型号
动态 静态 参照速度 限制速度
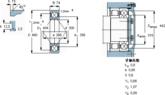
d D B C C0 Pu
mm kN kN r/min kg -
300460746501340291300220047,5QJ 1060 N2MA

SKFQJ1060N2MA角接触球轴承供应商

八零动力专业销售QJ1060N2MA角接触球轴承,库存SKFQJ1060N2MA大量现货,与SKF合作,咨询热线:022-58519723业务咨询
SKFQJ1060N2MA轴承的稳定性和可靠性表现卓越,赢得了广泛赞誉卓越的性能表现,让这款轴承在市场上脱颖而出它的耐用性,赢得了无数用户的信赖 它的耐腐蚀性,让它经久不衰 性能优越的轴承,极大地提高了设备的工作效率和稳定性它在纺织机械中的应用,确保了设备的高速运转 ,八零动力SKF角接触球轴承品种全,价格优,质量有保证!

用户关注最多的SKF轴承型号

SKF22315EKJA/VA405* SKF23036CCK/33+H3036 SKF2x7316BEGAP* SKF7203AC/DB SKF7232B/DB SKF811/500M SKFBC4-8016/HA4 SKFBT4B331553/HA1 SKFC39/900MB* SKFCR1200521 SKFCR16889 SKFCR440x480x22.23HDSA2V SKFCR523587 SKFPF5/8TF SKFSYH1.1/16FM

QJ1060N2MA角接触球轴承近似的SKF轴承型号

SKFQJ1060MA SKF70/1060AMB SKFQJ1060N2MA SKFQJ1060MA SKFQJ1064MA

用户关注最多的轴承狗热门型号

SNR  7302B/DT TIMKEN  1203KLLG SKF  23222CCK/W33+H2322 ASAHI  UEL203 NSK  6306VV FAG  LOE524-N-BL-L LYC  7220 ACM INA  CSEG120 RIV  N213 SKF  CR400055 NSK  NF419 NSK  23968CAMKE4 SKF  SYH2.1/4RM MRC  NJ324 SKF  C2217KV+AHX317*

版权所有©2009-2015 轴承狗zcgou.com ICP备案:津ICP备14004550号-13