SKFQJ1060MA轴承详细参数

发布时间:2026-04-29
角接触球轴承, 四点接触球轴承
主要数据尺寸 基本负荷额定值 疲劳负荷限值 额定速度 体积 型号
动态 静态 参照速度 限制速度
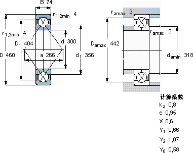
d D B C C0 Pu
mm kN kN r/min kg -
300460746501340291300220047,5QJ 1060 MA

SKFQJ1060MA角接触球轴承供应商

八零动力专业销售QJ1060MA角接触球轴承,库存SKFQJ1060MA大量现货,与SKF合作,咨询热线:022-58519723业务咨询
SKFQJ1060MA先进的制造技术和严格的质量检测,造就了这款优质轴承坚固的结构稳定的性能它的尺寸精度,达到了微米级的极致 让您的机械如虎添翼,它的承载能力,堪称机械界的“大力士” 它的制造工艺,堪称工业艺术的典范 ,八零动力SKF角接触球轴承品种全,价格优,质量有保证!

用户关注最多的SKF轴承型号

SKF2213E-2RS1KTN9 SKF6379/K-6320/Q SKF7009ACD/HCP4A SKF7012ACE/HCP4A SKF7216AC/DB SKFC7011FB/P7 SKFCR1588332 SKFCR23742 SKFCR25X37X6HMSA10V SKFCR90806 SKFNJ221ECP SKFNKI32/30 SKFPCM161825B SKFSNW8x1.1/4 SKFW61802

QJ1060MA角接触球轴承近似的SKF轴承型号

SKF70/1060AMB SKFQJ1060N2MA SKFQJ1060MA SKFQJ1056N2MA SKFQJ1060N2MA

用户关注最多的轴承狗热门型号

SKF  NU10/600 FAG  SNV190-L + 21318-E1-K + H318X302 + TCV518X309 LYC  QJ 318 N1M/P5S0 RIV  NJ428 DKF  7336B/DB MRC  61921 SKF  CR27268 国产  RNA253825 SKF  321586 NSK  6910VV SKF  OKCX330 SKF  FYRP1.3/4-18 LYC  23224 C/C3 KOYO  NJ406+HJ406 IKO  BA2616Z

版权所有©2009-2015 轴承狗zcgou.com ICP备案:津ICP备14004550号-13