SKFPL72轴承详细参数

发布时间:2026-04-15
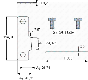
P锁紧片夹, 英制尺寸
尺寸 体积 型号
锁定板 适宜的锁定螺母
L A1 B
mm kg -
124,6131,753,20,1PL 72N 072

SKFPL72轴承附件供应商

八零动力专业销售PL72轴承附件,库存SKFPL72大量现货,与SKF合作,咨询热线:022-58519723业务咨询
SKFPL72它的长寿命,减少了资源浪费 它的质量可靠,是众多机械设备制造商的首选配件它在食品机械中的应用,展现了它的卫生性能 设计独特的轴承,不仅性能优越,还具有很高的性价比它在轨道交通中的应用,确保了列车的安全运行 它的抗拉强度,让它经得起各种考验 ,八零动力SKF轴承附件品种全,价格优,质量有保证!

用户关注最多的SKF轴承型号

SKF2211E-2RS1KTN9 SKF3210A-2RS SKF61808 SKF71822CD/P4A SKF7209B/DF SKFBCRB322442 SKFBT4B328511/HA1 SKFCR18987 SKFCR51x80x9.53CRW1R SKFCR90779 SKFCR7824 SKFNJ2220E SKFPCM140145120E SKFS71928ACD/HCP4A SKFUE206

PL72轴承附件近似的SKF轴承型号

SKFAOH3072G SKFOH3172HE SKFSNP3172x13.7/16 SKFOH3172H SKFHMVC72E SKFAOH3172G SKFSNP3072x13.7/16 SKFHM3072 SKFSNP3272x13.7/16 SKFOH3072H SKFPL710 SKFPL750

用户关注最多的轴承狗热门型号

SKF  P72R-1.1/4ARM TIMKEN  3782/3726 RIV  N2218 ASAHI  UE210 SKF  GE35TXG3E-2LS TIMKEN  45289/45221 LYC  22310 INA  PAPZ1416-P10 SKF  CR90X110X12HMSA10RG LYC  22324 K/W33 SKF  OH3284H 国产  24124C/W33 INA  RME55 INA  LR50/5-2RSR IKO  AZ305216

版权所有©2009-2015 轴承狗zcgou.com ICP备案:津ICP备14004550号-13