SKFOH3156H轴承详细参数

发布时间:2026-04-14
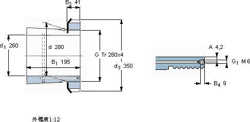
紧定套
尺寸 体积 型号
紧定轴套带螺母 锁定螺母 锁定装置 适宜的液压
d1 d d3 B1 G 和锁紧装置螺母
mm kg -
260280350195Tr 280x423,0OH 3156 HHM 56 TMB 56HMV 56 E

SKFOH3156H轴承附件供应商

八零动力专业销售OH3156H轴承附件,库存SKFOH3156H大量现货,与SKF合作,咨询热线:022-58519723业务咨询
SKFOH3156H从制造工艺到实际性能,这款轴承都表现得十分出色,它的使用寿命,远超同类产品 这轴承的选材讲究,坚固耐用,寿命远超同类产品它的热处理工艺,增强了它的硬度和韧性 这轴承的设计巧妙,充分考虑了设备的运行需求和维护便利性每一次转动都是精准与力量的完美呈现,,八零动力SKF轴承附件品种全,价格优,质量有保证!

用户关注最多的SKF轴承型号

SKF2x7248BCBM SKF30230 SKF353058BU SKF619/750MA SKF7005ACD/HCP4A SKF71807ACD/P4 SKFAOH24172 SKFAOHX3088G SKFCR320x364x20HDS2D SKFCR7572 SKFFSYE2.15/16H-18 SKFNNU4856/W33 SKFNUP222ECML* SKFPCMF101212E SKFYET206-101

OH3156H轴承附件近似的SKF轴承型号

SKFSNP3156x10.7/16 SKFSNP3156x10 SKFOH3156HTL SKFOH3156H SKFAOH3156G SKFOH3152HTL SKFOH3156HTL

用户关注最多的轴承狗热门型号

SKF  CR26191 国产  K25*31*20YA SKF  AH2236G KOYO  7221C/DT SNR  16009 SKF  NNCL4922CV LYC  6214 E/P5 SKF  C3072KM/HA3C4* SKF  61916-RS SKF  FY1.11/16TF ZKL  NJ234 NSK  CM-UCP212-207D1 SKF  PCM556050E GMN  7011C/DT IKO  LWH25...SL

版权所有©2009-2015 轴承狗zcgou.com ICP备案:津ICP备14004550号-13