SKFNUP319ECP*轴承详细参数

发布时间:2026-04-15
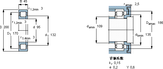
圆柱滚子轴承, 单列, NUP 设计
主要数据尺寸 基本负荷额定值 疲劳负荷限值 额定速度 体积 型号 适宜的斜挡圈
动态 静态 参照速度 限制速度 型号
d D B C C0 Pu * - SKF Explorer 轴承
mm kN kN r/min kg - -
952004539039046,5360043006,25NUP 319 ECP *-

SKFNUP319ECP*圆柱滚子轴承供应商

八零动力专业销售NUP319ECP*圆柱滚子轴承,库存SKFNUP319ECP*大量现货,与SKF合作,咨询热线:022-58519723业务咨询
SKFNUP319ECP*为您创造更多可能,它的质量卓越,为机械设备的安全运行保驾护航它的径向跳动控制,达到了行业顶尖水平 先进的生产工艺,让这款轴承的性能得到了极大提升高精度的制造工艺,让这款轴承的性能更加出色它的精密制造工艺,让人叹为观止 ,八零动力SKF圆柱滚子轴承品种全,价格优,质量有保证!

用户关注最多的SKF轴承型号

SKF6212-2RS1* SKF6268MA SKFC3984KMB+OH3984HE* SKFGEZ312TXE-2LS SKFGEZ500ES-2RS SKFHME30/630 SKFK45x50x17 SKFNF310ECP* SKFNU210ECKP* SKFNU2315ECP* SKFNUP2219E SKFPL710 SKFRLS4-2Z SKFSA80TXE-2LS SKFUE203

NUP319ECP*圆柱滚子轴承近似的SKF轴承型号

SKF319436DA-2LS SKFNUP2319E SKF319430DA-2LS SKFNUP319ECP SKFNU319E SKF319426DA-2LS SKFNU2319ECJ* SKFBC2B319961 SKF319307C SKFNJ319ECP SKFNUP319ECML* SKFNUP320E

用户关注最多的轴承狗热门型号

NACHI  SN532 MRC  7221AC/DT KOYO  HH224340/10 NACHI  6808NKE NSK  7230A SKF  81248M NSK  75BNR20SV1V FAG  SD3192-H-TS-AL-L + 23192-K-MB FAG  SNV080-L + 2208-K-TVH-C3 + H308 + DH508 LYC  1797/574 NTN  NN3072K NSK  NUP2320ET MRC  71924C/DB INA  HN4520 GMN  7012C/DF

版权所有©2009-2015 轴承狗zcgou.com ICP备案:津ICP备14004550号-13