SKFNUP312ECP*轴承详细参数

发布时间:2026-04-14
圆柱滚子轴承, 单列, NUP 设计
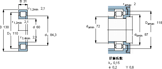
主要数据尺寸 基本负荷额定值 疲劳负荷限值 额定速度 体积 型号 适宜的斜挡圈
动态 静态 参照速度 限制速度 型号
d D B C C0 Pu * - SKF Explorer 轴承
mm kN kN r/min kg - -
601303117316020,8560067001,95NUP 312 ECP *-

SKFNUP312ECP*圆柱滚子轴承供应商

八零动力专业销售NUP312ECP*圆柱滚子轴承,库存SKFNUP312ECP*大量现货,与SKF合作,咨询热线:022-58519723业务咨询
SKFNUP312ECP*它的表面硬化处理,延长了它的使用寿命 它在家用电器中的应用,让生活更加便捷 这轴承的选材讲究,坚固耐用,寿命远超同类产品它的耐高温性能,让它在极端环境下依然稳定运行 高品质的轴承,在复杂工况下也能展现出卓越的性能它在电子设备中的应用,展现了它的高精密性 ,八零动力SKF圆柱滚子轴承品种全,价格优,质量有保证!

用户关注最多的SKF轴承型号

SKF292/1060 SKF61909-2RS1 SKF7044C/DT SKF7205BECBY SKFC2215K+AH315G* SKFCR26358 SKFCR30360 SKFCR36895 SKFFSNL617TURU SKFFNL513A SKFFSYE2.3/4H-18 SKFNUP2211ECP* SKFOKF150 SKFP85R-1.1/2TR SKFS7024FB/P7

NUP312ECP*圆柱滚子轴承近似的SKF轴承型号

SKFNU312E SKFNUP2312ECP* SKFNU312ECP* SKFN2312 SKFNU312ECM* SKFNJ2312E+HJ2312E SKFNJ312E+HJ312E SKFNJ2312ECM* SKFNJ312ECML* SKFN312E SKFNUP312ECML* SKFNUP313E

用户关注最多的轴承狗热门型号

SKF  22226E SKF  W638/8-2ZR SKF  CR50X62X10CRS1R SKF  29426 INA  RWS1808-175/x175/x156 INA  PAP10060-P11 DKF  7203AC SKF  NU324ECJ* 国产  QJ1048N2Q1/SO KOYO  22152RS MRC  NU1028 INA  SL182968 国产  NKX12 SKF  W6302 IKO  TA3515Z

版权所有©2009-2015 轴承狗zcgou.com ICP备案:津ICP备14004550号-13