SKFNUP2312ECP*轴承详细参数

发布时间:2026-04-15
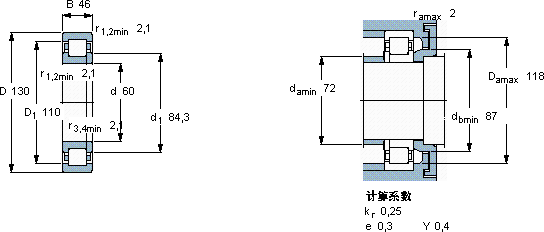
圆柱滚子轴承, 单列, NUP 设计
主要数据尺寸 基本负荷额定值 疲劳负荷限值 额定速度 体积 型号 适宜的斜挡圈
动态 静态 参照速度 限制速度 型号
d D B C C0 Pu * - SKF Explorer 轴承
mm kN kN r/min kg - -
601304626026534,5560067002,85NUP 2312 ECP *-

SKFNUP2312ECP*圆柱滚子轴承供应商

八零动力专业销售NUP2312ECP*圆柱滚子轴承,库存SKFNUP2312ECP*大量现货,与SKF合作,咨询热线:022-58519723业务咨询
SKFNUP2312ECP*这轴承的设计巧妙,充分考虑了设备的运行需求和维护便利性高品质的轴承,在复杂工况下也能展现出卓越的性能它的可回收性,减少了废弃物处理成本 质量无可挑剔的轴承,在行业内树立了良好的口碑和形象开启顺畅运行新时代,成就非凡转动体验让您的设备一顺到底,,八零动力SKF圆柱滚子轴承品种全,价格优,质量有保证!

用户关注最多的SKF轴承型号

SKF21320CC SKF2213K+H313 SKF32960/DF SKFCR13741 SKFCR29907 SKFCR470x530x25HDS1D SKFCR750x780x18HDS1R SKFCR80x110x10CRW1R SKFCR99750 SKFFYT2.TF/VA201 SKFGEP160FS SKFIR50x58x22 SKFN322ECM* SKFSNL210 SKFVJ-PDRJ319

NUP2312ECP*圆柱滚子轴承近似的SKF轴承型号

SKFNJ2312E SKFNUP2312ECP* SKFNJ2312E+HJ2312E SKFNJ2312ECML* SKFNUP2312ECP SKFNJ2312ECM* SKFN2312 SKFNU2312ECM* SKFNU2312ECML* SKFBC1B322312 SKFNUP2312ECML* SKFNUP2313E

用户关注最多的轴承狗热门型号

NSK  6909NR NSK  7302BEA SKF  CR11223 SKF  NU311ECJ* 国产  6011-2Z/Z3 MRC  7318B/DF FAG  SNV170-L + 1316-K-M-C3 + H316 + TCV616 NACHI  6011NSE SKF  LL483449/418 SKF  SDAF23180KAx14.15/16 SKF  81226TN FAG  SNV180-L + 2317-K-M-C3 + H2317X300 + TCV617X300 STEYR  1207 TORRINGTON FAFNIR  7222C LYC  32214/P5/S1

版权所有©2009-2015 轴承狗zcgou.com ICP备案:津ICP备14004550号-13