SKFNUP311ECP*轴承详细参数

发布时间:2026-04-14
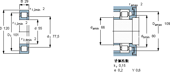
圆柱滚子轴承, 单列, NUP 设计
主要数据尺寸 基本负荷额定值 疲劳负荷限值 额定速度 体积 型号 适宜的斜挡圈
动态 静态 参照速度 限制速度 型号
d D B C C0 Pu * - SKF Explorer 轴承
mm kN kN r/min kg - -
551202915614318,6600070001,55NUP 311 ECP *-

SKFNUP311ECP*圆柱滚子轴承供应商

八零动力专业销售NUP311ECP*圆柱滚子轴承,库存SKFNUP311ECP*大量现货,与SKF合作,咨询热线:022-58519723业务咨询
SKFNUP311ECP*优秀的设计让这款轴承在运行时更加高效节能为您的机械提供持久动力,以卓越品质制造工艺精湛,使得这款轴承的精度、稳定性和耐用性都非常出色它的高可靠性,减少了设备停机时间 设计合理、性能优良的它,是机械设备稳定运行的重要保障,八零动力SKF圆柱滚子轴承品种全,价格优,质量有保证!

用户关注最多的SKF轴承型号

SKF1205EKTN9 SKF24136CCK30/W33* SKF32314J2/Q SKF71924CE/HCP4A SKF7210AC/DF SKF7316BECCM* SKFBT4B328826G/HA1 SKFCR13918 SKFHK2214RS SKFHMVC24E SKFIR50x55x35 SKFNU309ECML* SKFOH3948H SKFSNL3168FTURT SKFT4CB100/Q

NUP311ECP*圆柱滚子轴承近似的SKF轴承型号

SKFNJ2311ECML* SKFNU2311ECP* SKFNUP311ECML* SKFNU311ECJ* SKFNJG2311VH SKFNJ2311ECP SKFNU2311ECP SKFNJ311ECJ* SKFNU311ECM* SKFNU2311E SKFNUP311ECML* SKFNUP312E

用户关注最多的轴承狗热门型号

LYC  23160/C3 NSK  7030CTYNP5 MRC  7212AC/DT BARDEN  7028C/DT MRC  6308-2Z ZKL  NJ416 LYC  5617/1860 SKF  54308U SKF  7324BGBM LYC  22322/C3W33 LYC  132.50.3550.03K SKF  SYNT45F FAG  SNV160-L + 21315-E1-K + H315X207 + TCV615X207 LYC  NN 4964 K/W33 国产  NJ316

版权所有©2009-2015 轴承狗zcgou.com ICP备案:津ICP备14004550号-13