SKFNUP311ECML*轴承详细参数

发布时间:2026-04-14
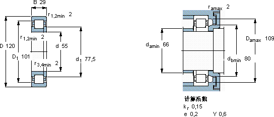
圆柱滚子轴承, 单列, NUP 设计
主要数据尺寸 基本负荷额定值 疲劳负荷限值 额定速度 体积 型号 适宜的斜挡圈
动态 静态 参照速度 限制速度 型号
d D B C C0 Pu * - SKF Explorer 轴承
mm kN kN r/min kg - -
551202915614318,66000110001,55NUP 311 ECML *-

SKFNUP311ECML*圆柱滚子轴承供应商

八零动力专业销售NUP311ECML*圆柱滚子轴承,库存SKFNUP311ECML*大量现货,与SKF合作,咨询热线:022-58519723业务咨询
SKFNUP311ECML*性能优越的轴承,极大地提升了设备的工作性能和效率性能优越的轴承,极大地提高了设备的工作效率和稳定性它的热处理工艺,增强了它的硬度和韧性 先进的制造技术和严格的质量控制,造就了这款优质轴承卓越的设计和可靠的性能,是这款轴承的两大亮点它的抗氧化性能,延长了它的使用寿命 ,八零动力SKF圆柱滚子轴承品种全,价格优,质量有保证!

用户关注最多的SKF轴承型号

SKF21311CC SKF33122/DF SKF7211BEY SKF7307BEP SKF7310BEGAP* SKFBK3012 SKFBT4-8022G/HA1VA919 SKFC2217K+AHX317* SKFCR65X85X12HMS5V SKFCR99418 SKFHMV86E SKFNCF2896V SKFNNCL4918CV SKFNU2308ECJ* SKFNU238ECMA*

NUP311ECML*圆柱滚子轴承近似的SKF轴承型号

SKFNU311ECNJ* SKFNUP311ECML* SKFNJ311ECM* SKFNUP311E SKFNJ2311ECP SKFNU311E SKFNJ2311ECML* SKFNJG2311VH SKFNJ2311ECP* SKFNU2311ECKML* SKFNUP311ECM* SKFNUP311ECP*

用户关注最多的轴承狗热门型号

NTN  32972 KOYO  23996RK+AH3996 SKF  330529B SNR  1214 LYC  NN 3056/P53 TIMKEN  64452A/64713 SKF  S71907ACD/P4A 国产  UCK217 STEYR  7319B/DT MRC  7013AC/DT TIMKEN  5312WG 国产  71915CTA SKF  SY1.1/8WF NACHI  580R/572 NACHI  SN3132E

版权所有©2009-2015 轴承狗zcgou.com ICP备案:津ICP备14004550号-13