

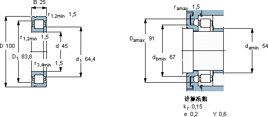
| 圆柱滚子轴承, 单列, NUP 设计, 于外圈的带止动槽 | ||||||||||||
| 主要数据尺寸 | 基本负荷额定值 | 疲劳负荷限值 | 额定速度 | 体积 | 型号 | 适宜的斜挡圈 | ||||||
| 动态 | 静态 | 参照速度 | 限制速度 | 型号 | ||||||||
| d | D | B | C | C0 | Pu | * - SKF Explorer 轴承 | ||||||
| mm | kN | kN | r/min | kg | - | - | ||||||
| 45 | 100 | 25 | 112 | 100 | 12,9 | 7500 | 8500 | 0,95 | NUP 309 ECNP * | - | ||
版权所有©2009-2015 轴承狗zcgou.com ICP备案:津ICP备14004550号-13