SKFNUP234ECM*轴承详细参数

发布时间:2026-04-14
圆柱滚子轴承, 单列, NUP 设计
主要数据尺寸 基本负荷额定值 疲劳负荷限值 额定速度 体积 型号 适宜的斜挡圈
动态 静态 参照速度 限制速度 型号
d D B C C0 Pu * - SKF Explorer 轴承
mm kN kN r/min kg - -
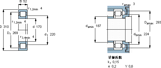
17031052695815852400320020,0NUP 234 ECM *-

SKFNUP234ECM*圆柱滚子轴承供应商

八零动力专业销售NUP234ECM*圆柱滚子轴承,库存SKFNUP234ECM*大量现货,与SKF合作,咨询热线:022-58519723业务咨询
SKFNUP234ECM*轴承的耐用性极佳,为设备的长期稳定运行提供了保障机械的心脏它的材质选择,体现了对耐用性的极致追求 它的精密装配,确保了整体性能的卓越 它的耐高温性能,让它在极端环境下依然稳定运行 旋转不息,八零动力SKF圆柱滚子轴承品种全,价格优,质量有保证!

用户关注最多的SKF轴承型号

SKF22232CC/W33* SKF628/5-2Z SKF7020CE/HCP4A SKF7030ACD/P4A SKF71907ACD/P4A SKF7311BEGAY SKF7316BEGBY SKFAH24024 SKFCR23040 SKFCR60x85x8CRW1V SKFHK1212 SKFMB32 SKFSAF22524x4.1/4 SKFSDAF23096 SKFSNW126x4.3/8

NUP234ECM*圆柱滚子轴承近似的SKF轴承型号

SKFNJG2348VH SKFNJ234E+HJ234E SKFNU2344ECMA SKFNU2234ECMA SKFNJ234ECM SKFNCF2234V SKFNU2348ECMA SKFNJG2340VH SKFNJG2340VH SKFNU234ECMA* SKFNUP234ECM SKFNUP234ECMA*

用户关注最多的轴承狗热门型号

FYH  UCFU326 SKF  K5x8x8TN BARDEN  7207C NSK  NU204ET LYC  6005 E/Z1 国产  UCK213 INA  RCJY50-N TIMKEN  YA015RR NSK  7210CTYNP5 LYC  22232/C2 国产  51103 NSK  53272XU LYC  JLM 704649 /JLM 704610 SKF  SAF23038KAx6.13/16 NACHI  7332DB

版权所有©2009-2015 轴承狗zcgou.com ICP备案:津ICP备14004550号-13