SKFNUP2330ECMA*轴承详细参数

发布时间:2026-04-14
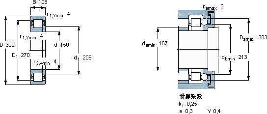
圆柱滚子轴承, 单列, NUP 设计
主要数据尺寸 基本负荷额定值 疲劳负荷限值 额定速度 体积 型号 适宜的斜挡圈
动态 静态 参照速度 限制速度 型号
d D B C C0 Pu * - SKF Explorer 轴承
mm kN kN r/min kg - -
150320108137016301662200340046,5NUP 2330 ECMA *-

SKFNUP2330ECMA*圆柱滚子轴承供应商

八零动力专业销售NUP2330ECMA*圆柱滚子轴承,库存SKFNUP2330ECMA*大量现货,与SKF合作,咨询热线:022-58519723业务咨询
SKFNUP2330ECMA*先进的制造技术和严格的质量检测,造就了这款优质轴承为您的机械注入强大动力,它的多样化应用,展现了它的无限可能 它的精密设计,展现了人类智慧的巅峰 它的品质卓越,为机械设备的高效、稳定运行保驾护航它的长寿命,减少了资源浪费 ,八零动力SKF圆柱滚子轴承品种全,价格优,质量有保证!

用户关注最多的SKF轴承型号

SKF29464 SKF3306A-2RS SKF51311 SKFBT2B331858/HA1 SKFC30/900MB* SKFCR13943 SKFCR85762 SKFFYT1.3/8FM SKFFYTL35TR/VE495 SKFNU2311ECP SKFOKF160 SKFPCM13514080E SKFPCZ3030B SKFT4EE160/VB406 SKFUELFU211

NUP2330ECMA*圆柱滚子轴承近似的SKF轴承型号

SKFNJ2330E+HJ2330E SKFNU2330E SKFNJ2330ECMA SKFNU2330ECMA SKFNJ2330E SKFNUP2330ECMA* SKFNJG2330VH SKFNJG2330VH SKFNJ2330ECMA* SKFNU2330ECMA* SKFNUP2330ECMA SKFNUP234E

用户关注最多的轴承狗热门型号

NACHI  53320 FAG  NU315-E-TVP2 LYC  UCFU308 SKF  24134CC/W33 SKF  RNU306 NACHI  H-25577/H-25523 BARDEN  7214C/DB NTN  7306C LYC  61876/C3 TORRINGTON FAFNIR  634 NSK  6210ZZNR MRC  71918C/DF SKF  CR25X52X7HMSA10RG IKO  RNA4960 IKO  CRH18VBUUR

版权所有©2009-2015 轴承狗zcgou.com ICP备案:津ICP备14004550号-13