SKFNJ2330ECMA*轴承详细参数

发布时间:2026-04-14
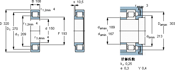
圆柱滚子轴承, 单列, NJ 设计
主要数据尺寸 基本负荷额定值 疲劳负荷限值 额定速度 体积 型号 适宜的斜挡圈
动态 静态 参照速度 限制速度 型号
d D B C C0 Pu * - SKF Explorer 轴承
mm kN kN r/min kg - -
150320108137016301662200340046,0NJ 2330 ECMA *-

SKFNJ2330ECMA*圆柱滚子轴承供应商

八零动力专业销售NJ2330ECMA*圆柱滚子轴承,库存SKFNJ2330ECMA*大量现货,与SKF合作,咨询热线:022-58519723业务咨询
SKFNJ2330ECMA*它在风力发电中的应用,为清洁能源贡献力量 始终顺滑如初,为设备的精确运行提供了保障,该轴承的精度控制精准,为设备的精确运行提供了保障它的抗压强度,让它承载能力惊人 每一次转动都是精准与力量的完美呈现,高精度低摩擦,八零动力SKF圆柱滚子轴承品种全,价格优,质量有保证!

用户关注最多的SKF轴承型号

SKF24156CAC/W33 SKF6312-RS1* SKF70/1120AMB SKFBC4B635122 SKFCR35X62X8HMSA10RG SKFCR524225 SKFCR593637 SKFFYRP1.15/16H-18 SKFHE3124 SKFIR180x195x45 SKFNNUP4956B/W33 SKFNUP312ECP SKFOKF460 SKFPCM141615M SKFQJ332N2MA

NJ2330ECMA*圆柱滚子轴承近似的SKF轴承型号

SKFNJ2330ECMA SKFNUP2330ECMA SKFNJG2330VH SKFNUP2330ECMA* SKFNUP2330E SKFNU2330ECMA SKFNJ2330E+HJ2330E SKFNU2330ECMA* SKFNU2330E SKFN2330 SKFNJ2330ECMA SKFNJ2332E

用户关注最多的轴承狗热门型号

INA  RWS1808-300/x300/x224 FAG  BND3036-H-C-T-AF-S FAG  NJ309-E-TVP2 NSK  6024DDU SKF  CR99240 INA  MLF52145-ZR GMN  7228C/DT SKF  CR99606 NTN  7956 TIMKEN  EE171000D/171436 TIMKEN  20TP104 LYC  23052 K NTN  NN3008 FAG  SNV215-L + 21320-E1-K-TVPB + H320 + DHV620 IKO  KT303613

版权所有©2009-2015 轴承狗zcgou.com ICP备案:津ICP备14004550号-13