SKFNUP232ECML*轴承详细参数

发布时间:2026-05-30
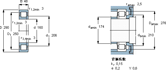
圆柱滚子轴承, 单列, NUP 设计
主要数据尺寸 基本负荷额定值 疲劳负荷限值 额定速度 体积 型号 适宜的斜挡圈
动态 静态 参照速度 限制速度 型号
d D B C C0 Pu * - SKF Explorer 轴承
mm kN kN r/min kg - -
16029048585680722400400014,5NUP 232 ECML *-

SKFNUP232ECML*圆柱滚子轴承供应商

八零动力专业销售NUP232ECML*圆柱滚子轴承,库存SKFNUP232ECML*大量现货,与SKF合作,咨询热线:022-58519723业务咨询
SKFNUP232ECML*它的润滑技术,减少了摩擦和磨损 坚固耐用高精度的轴承,为设备的稳定运行提供了坚实保障轴承的精度极高,使得设备的运行误差被控制在极小范围内质量无可挑剔的轴承,在行业内树立了良好的口碑和形象机械的心脏,八零动力SKF圆柱滚子轴承品种全,价格优,质量有保证!

用户关注最多的SKF轴承型号

SKF23044CCK/W33+OH3044H* SKF2304M SKF292/630 SKF2x7311BEGAY SKF510/560F SKF7020C/DB SKF71826CD/HCP4A SKF7318BECBP* SKF81140 SKFBT2-8003/HA3 SKFBT4-8017/HA1VA941 SKFCR23703 SKFGEH60TXE-2LS SKFHK1312 SKFPWM253040

NUP232ECML*圆柱滚子轴承近似的SKF轴承型号

SKFNJ2326ECMA* SKFNU2320ECP SKFNUP232ECML* SKFNUP2326ECMA* SKFNU2232ECMA* SKFNJG2320VH SKFNJ2322ECMA* SKFN232ECM* SKFN2326 SKFNJ2232E+HJ2232E SKFNUP232ECM* SKFNUP2330E

用户关注最多的轴承狗热门型号

SKF  NNU4096M/W33 SKF  STO50 SKF  306704C MRC  71905C/DT FAG  23072-K-MB TORRINGTON  HK0810 SNR  7334B/DB NSK  7916CTYNSULP4 FAG  SNV140-L + 2313-TVH + DH313 NTN  4T-30310D FAG  7602035-TVP NSK  51411 NSK  239/530CAME4 MRC  7303AC IKO  NAU4920

版权所有©2009-2015 轴承狗zcgou.com ICP备案:津ICP备14004550号-13