SKFNUP232ECM*轴承详细参数

发布时间:2026-04-15
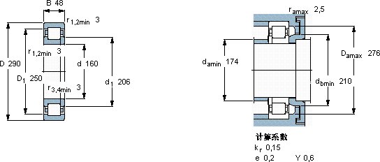
圆柱滚子轴承, 单列, NUP 设计
主要数据尺寸 基本负荷额定值 疲劳负荷限值 额定速度 体积 型号 适宜的斜挡圈
动态 静态 参照速度 限制速度 型号
d D B C C0 Pu * - SKF Explorer 轴承
mm kN kN r/min kg - -
16029048585680722400260014,5NUP 232 ECM *-

SKFNUP232ECM*圆柱滚子轴承供应商

八零动力专业销售NUP232ECM*圆柱滚子轴承,库存SKFNUP232ECM*大量现货,与SKF合作,咨询热线:022-58519723业务咨询
SKFNUP232ECM*先进的制造技术,让这款轴承的质量达到了行业领先水平卓越的设计理念,赋予了这款轴承超凡的性能它在冶金设备中的应用,确保了设备的高温性能 它在包装机械中的应用,确保了设备的高效率 它的滚动体与沟槽的配合,堪称完美 质量无可挑剔的轴承,在行业内树立了良好的口碑和形象,八零动力SKF圆柱滚子轴承品种全,价格优,质量有保证!

用户关注最多的SKF轴承型号

SKF108TN9 SKF1322 SKF22332CCK/W33* SKF23944CC/W33 SKF6203-2Z/VA228 SKF7244B/DB SKFBT4B328100/HA4 SKFCR9894 SKFGE80CS-2Z SKFIR20x25x26.5 SKFNJ2211ECM* SKFNU2326ECMA SKFNUP316ECML* SKFPCM353930M SKFYAR207-2RF/HV

NUP232ECM*圆柱滚子轴承近似的SKF轴承型号

SKFNCF2232V SKFNJ2320ECP SKFNU2322ECMA* SKFNU2324ECMA* SKFNCF2232V SKFNU2320ECN1ML* SKFNU2320ECM* SKFNU2232ECMA SKFNJ232ECML* SKFNU2320ECML* SKFNUP232ECM SKFNUP232ECML*

用户关注最多的轴承狗热门型号

SKF  NAO25x42x16 SKF  RMS8 SKF  RNA4911 NSK  NU416W TORRINGTON  22264CAC/W33 SKF  CR180X210X15HMS5RG SKF  C2234K* SKF  SDAF22624x4.1/4 FAG  NN3036-AS-K-M-SP MRC  6005 TIMKEN  22208YM NACHI  7016 NTN  7914DT MAC  N226 FAG  SNV080-L + 1208-K-TVH-C3 + H208X105 + TSV508X105

版权所有©2009-2015 轴承狗zcgou.com ICP备案:津ICP备14004550号-13