SKFNUP2317ECP*轴承详细参数

发布时间:2026-05-29
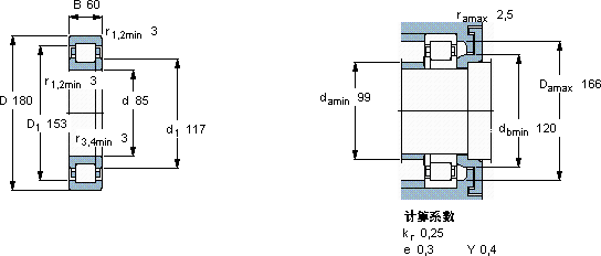
圆柱滚子轴承, 单列, NUP 设计
主要数据尺寸 基本负荷额定值 疲劳负荷限值 额定速度 体积 型号 适宜的斜挡圈
动态 静态 参照速度 限制速度 型号
d D B C C0 Pu * - SKF Explorer 轴承
mm kN kN r/min kg - -
851806045549060400048007,00NUP 2317 ECP *-

SKFNUP2317ECP*圆柱滚子轴承供应商

八零动力专业销售NUP2317ECP*圆柱滚子轴承,库存SKFNUP2317ECP*大量现货,与SKF合作,咨询热线:022-58519723业务咨询
SKFNUP2317ECP*机械的心脏为您创造更多可能,其设计和制造工艺都达到了国际先进水平,是一款优质轴承高品质的轴承,在各种复杂环境下都能稳定发挥作用精湛的工艺打造出的轴承,精度和稳定性都令人称赞高品质的轴承,在各种复杂工况下都能展现出卓越的性能表现,八零动力SKF圆柱滚子轴承品种全,价格优,质量有保证!

用户关注最多的SKF轴承型号

SKF24130CC/W33 SKF3210ATN9 SKF5309A-2Z* SKF594A/592A/Q SKF61811-2RS SKF618/750MA SKF7207B/DF SKFC3080KM* SKFCR1100580 SKFCR33712 SKFCR529086 SKFCR64994 SKFN1013KTNHA/HC5SP SKFPCMF182017E SKFSNW38x6.13/16

NUP2317ECP*圆柱滚子轴承近似的SKF轴承型号

SKFNU2317ECP SKFNUP2317E SKFNJ2317E+HJ2317E SKFNU2317ECM* SKFNJ2317ECP SKFNU2317ECML* SKFNU2317ECJ* SKFNJ2317ECP* SKFNU2317ECKJ* SKFNJG2317VH SKFNUP2317ECNP* SKFNUP2318E

用户关注最多的轴承狗热门型号

SKF  GE30TXG3E-2LS FAG  SNV140-L + 20216-K-TVP-C3 + H216X212 + DH516 NSK  6218Z RHP  7032C SKF  BT4-8061G/HA1VA901 INA  KSR20-L0-16-10-12-15 SKF  CR99550 INA  NA4909 NSK  NUP411W NMB  L-950 NSK  NN3021 STEYR  6336 SKF  89311TN BARDEN  7003AC/DF FAG  LOE310-N-BF-L

版权所有©2009-2015 轴承狗zcgou.com ICP备案:津ICP备14004550号-13