SKFNUP2315ECP*轴承详细参数

发布时间:2026-05-30
圆柱滚子轴承, 单列, NUP 设计
主要数据尺寸 基本负荷额定值 疲劳负荷限值 额定速度 体积 型号 适宜的斜挡圈
动态 静态 参照速度 限制速度 型号
d D B C C0 Pu * - SKF Explorer 轴承
mm kN kN r/min kg - -
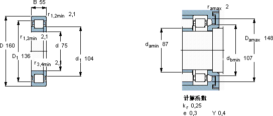
751605538040050450053005,10NUP 2315 ECP *-

SKFNUP2315ECP*圆柱滚子轴承供应商

八零动力专业销售NUP2315ECP*圆柱滚子轴承,库存SKFNUP2315ECP*大量现货,与SKF合作,咨询热线:022-58519723业务咨询
SKFNUP2315ECP*它的模块化设计,让安装和更换变得轻松便捷 轴承的选材精良,确保了其具有良好的耐磨性和抗腐蚀性它的静音设计,让机械运转如丝般顺滑 它的抗剪切性能,确保了它的结构稳定性 这款轴承的性能卓越,有效提升了设备的整体性能和可靠性它的故障率极低,确保了设备的稳定运行 ,八零动力SKF圆柱滚子轴承品种全,价格优,质量有保证!

用户关注最多的SKF轴承型号

SKF1214ETN9 SKF3304ATN9 SKF6009-2Z* SKF7013AC SKF7215BECBY SKF722505DA SKFAH3240 SKFBTM60A/HCP4CDBB SKFCR10X24X7HMSA10RG SKFCR14970 SKFCR40x74x8CRW1R SKFNJ322ECP* SKFSYL35TH SKFTU1.3/16WF SKFTVN311A

NUP2315ECP*圆柱滚子轴承近似的SKF轴承型号

SKFNJ2315ECP SKFNUP2315ECP* SKFNU2315ECML* SKFNUP2315ECML* SKFNU2315E SKFNJG2315VH SKFNU2315ECP* SKFNJ2315E SKFN2315 SKFNU2315ECP SKFNUP2315ECML* SKFNUP2316E

用户关注最多的轴承狗热门型号

FAG  H3130X503 SKF  22219CC/W33 TIMKEN  52375 /52637-B NACHI  C22144 NTN  32944 SKF  23224CCK/W33 TIMKEN  T651 NTN  NU204E SKF  N1014KTNHA/SP KOYO  N211 INA  PAP1220-P10 SKF  IR100x115x40 KOYO  RS424725 LYC  7208 ACT/P4 IKO  TAF101716-SG

版权所有©2009-2015 轴承狗zcgou.com ICP备案:津ICP备14004550号-13