SKFNUP2313ECP*轴承详细参数

发布时间:2026-04-14
圆柱滚子轴承, 单列, NUP 设计
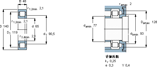
主要数据尺寸 基本负荷额定值 疲劳负荷限值 额定速度 体积 型号 适宜的斜挡圈
动态 静态 参照速度 限制速度 型号
d D B C C0 Pu * - SKF Explorer 轴承
mm kN kN r/min kg - -
651404828529038530060003,45NUP 2313 ECP *-

SKFNUP2313ECP*圆柱滚子轴承供应商

八零动力专业销售NUP2313ECP*圆柱滚子轴承,库存SKFNUP2313ECP*大量现货,与SKF合作,咨询热线:022-58519723业务咨询
SKFNUP2313ECP*优秀的设计理念和精湛的制造工艺,成就了这款杰出的轴承它在家用电器中的应用,让生活更加便捷 转动的艺术它在冶金设备中的应用,确保了设备的高温性能 它的故障率极低,确保了设备的稳定运行 设计合理、性能优良的轴承,是机械设备的理想之选,八零动力SKF圆柱滚子轴承品种全,价格优,质量有保证!

用户关注最多的SKF轴承型号

SKF305610A SKF304241 SKF316691 SKF32211J2/Q SKF604-Z SKF6092MB SKFBFSD353305U SKFCR22484 SKFCR28X47X10HMS5RG SKFCR54x73x11.13CRWA1R SKFFT1.1/16FM SKFNJ218ECJ* SKFNU1006 SKFS71919CD/HCP4A SKFSCF90ES

NUP2313ECP*圆柱滚子轴承近似的SKF轴承型号

SKFNUP2313E SKFNJ2313E+HJ2313E SKFNU2313E SKFNJG2313VH SKFNJG2313VH SKFNUP2313ECML* SKFNJ2313ECML* SKFNUP2313ECP* SKFNJ2313ECP* SKFNJ2313ECP SKFNUP2313ECML* SKFNUP2314E

用户关注最多的轴承狗热门型号

TIMKEN  593A/592A TIMKEN  L327249/L327210 NSK  51205 SKF  CR40X62X7HMSA10RG SKF  BVNB328587/HA1 KOYO  7212B/DB 国产  6224-RS RHP  7322B/DB KOYO  1311K+H311 LYC  LY-Q040 NTN  6211-RZ FAG  HC7009-C-T-P4S NTN  UEL319 INA  GIKR8-PW LYC  695 2RS

版权所有©2009-2015 轴承狗zcgou.com ICP备案:津ICP备14004550号-13