SKFNUP2313ECML*轴承详细参数

发布时间:2026-04-16
圆柱滚子轴承, 单列, NUP 设计
主要数据尺寸 基本负荷额定值 疲劳负荷限值 额定速度 体积 型号 适宜的斜挡圈
动态 静态 参照速度 限制速度 型号
d D B C C0 Pu * - SKF Explorer 轴承
mm kN kN r/min kg - -
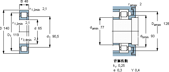
651404828529038530095003,45NUP 2313 ECML *-

SKFNUP2313ECML*圆柱滚子轴承供应商

八零动力专业销售NUP2313ECML*圆柱滚子轴承,库存SKFNUP2313ECML*大量现货,与SKF合作,咨询热线:022-58519723业务咨询
SKFNUP2313ECML*为您的机械注入强大动力,它在矿山设备中的应用,确保了设备的高负载能力 优秀的设计和卓越的性能,让这款轴承备受青睐转动世界的精密之选,它的尺寸精度,达到了微米级的极致 它的抗疲劳性能,确保了长期使用的可靠性 ,八零动力SKF圆柱滚子轴承品种全,价格优,质量有保证!

用户关注最多的SKF轴承型号

SKF32220J2 SKF70/630AMB SKF81134TN SKFBT2B440397 SKFCR13650 SKFCR21164 SKFCR7X16X7HMSA10V SKFHM89499/2/410/QCL7C SKFK60x65x20 SKFNJ203E SKFNJ310ECPH* SKFNJ407+HJ407 SKFNNU4968BK/SPW33 SKFNU3052ECMA SKFOKCX730

NUP2313ECML*圆柱滚子轴承近似的SKF轴承型号

SKFNU2313ECML* SKFNJG2313VH SKFNJG2313VH SKFNUP2313ECML* SKFNU2313ECP SKFNJ2313ECML* SKFNJ2313E SKFNU2313ECP* SKFNJ2313E+HJ2313E SKFNU2313E SKFNUP2313ECP SKFNUP2313ECP*

用户关注最多的轴承狗热门型号

LYC  30632 NSK  CM-UCP205-015D1 FAG  H241/710-HG SKF  6004-2Z/VA208 SKF  M30x1.5 国产  3519/850 NTN  7303AC/DF SKF  C39/560KM+OH39/560HE* MRC  7012AC/DF NSK  7900A5 国产  6420N FAG  NJ319-E-TVP2 + HJ319E TIMKEN  008-10601 KOYO  NJ318E LYC  133.50.3150.11K

版权所有©2009-2015 轴承狗zcgou.com ICP备案:津ICP备14004550号-13