SKFNUP222ECP*轴承详细参数

发布时间:2026-04-15
圆柱滚子轴承, 单列, NUP 设计
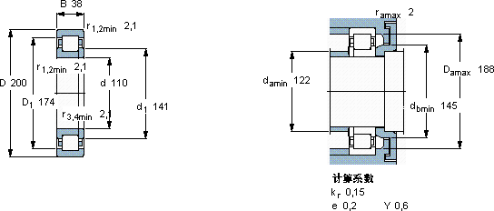
主要数据尺寸 基本负荷额定值 疲劳负荷限值 额定速度 体积 型号 适宜的斜挡圈
动态 静态 参照速度 限制速度 型号
d D B C C0 Pu * - SKF Explorer 轴承
mm kN kN r/min kg - -
1102003833536542,5360040005,00NUP 222 ECP *-

SKFNUP222ECP*圆柱滚子轴承供应商

八零动力专业销售NUP222ECP*圆柱滚子轴承,库存SKFNUP222ECP*大量现货,与SKF合作,咨询热线:022-58519723业务咨询
SKFNUP222ECP*是机械世界的璀璨明星,质量无可比拟的轴承,在行业内树立了良好的品质标杆品质卓越的它,为机械设备的稳定、高效运行提供了支持让您的设备高效运行,运转起来如此顺滑,这款轴承的制造工艺着实令人赞叹这款轴承的精度极高,能够满足对精度要求苛刻的设备,八零动力SKF圆柱滚子轴承品种全,价格优,质量有保证!

用户关注最多的SKF轴承型号

SKF16006/HR22T2 SKF629/HR22Q2 SKF6306-2Z/VA228 SKF7208BEGBY SKFC3236K+H2336* SKFCR100X130X12HMS5V SKFCR11123 SKFGE120ES SKFLM29749/711/QCL7CVA607 SKFNN48/750K30/HB1W33 SKFPCM606540M SKFPFT1.1/4ATF SKFQJ205N2MA SKFR52 SKFS7020FB/P7

NUP222ECP*圆柱滚子轴承近似的SKF轴承型号

SKFNJ2224ECM* SKFNU222ECM* SKFNJ2228ECML SKFNUP2224ECP* SKFBCSB322213CC SKFNUP2222ECML* SKFNJ2220ECJ* SKFNUP2222ECP SKFNUP222ECML* SKFNU2224ECM* SKFNUP222ECML* SKFNUP2230E

用户关注最多的轴承狗热门型号

国产  K11*15*12.5YA NACHI  SN316 RHP  629-RS LYC  752732QTYK MRC  6404 SKF  S7006CD/HCP4A TIMKEN  13890 /13836-B ZKL  31308 TIMKEN  26882/26821 SKF  CR32X48X8HMS5V SNR  32019 KOYO  7028C/DB TORRINGTON  K42×47×27 SKF  71806ACD/HCP4 SKF  RNA4913

版权所有©2009-2015 轴承狗zcgou.com ICP备案:津ICP备14004550号-13