SKFNUP2219ECP*轴承详细参数

发布时间:2026-05-30
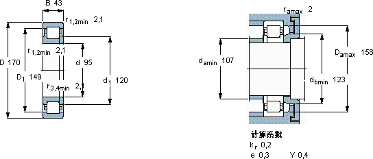
圆柱滚子轴承, 单列, NUP 设计
主要数据尺寸 基本负荷额定值 疲劳负荷限值 额定速度 体积 型号 适宜的斜挡圈
动态 静态 参照速度 限制速度 型号
d D B C C0 Pu * - SKF Explorer 轴承
mm kN kN r/min kg - -
951704332537545,5430048004,00NUP 2219 ECP *-

SKFNUP2219ECP*圆柱滚子轴承供应商

八零动力专业销售NUP2219ECP*圆柱滚子轴承,库存SKFNUP2219ECP*大量现货,与SKF合作,咨询热线:022-58519723业务咨询
SKFNUP2219ECP*这款轴承的精度极高,能够满足对精度要求苛刻的设备它的耐腐蚀性,减少了维护成本 这轴承的设计简直精妙绝伦,每一处细节都彰显着极致的工艺美学它在汽车工业中的应用,让车辆运行更加平稳 它的耐磨性能,让它在恶劣环境下依然稳定运行 这轴承的选材讲究,坚固耐用,寿命远超同类产品,八零动力SKF圆柱滚子轴承品种全,价格优,质量有保证!

用户关注最多的SKF轴承型号

SKF234732B SKF248/1180CAFA/W20 SKF30221J2 SKF51201V/HR11Q1 SKF7022C/DF SKF71915C/DT SKF7301B SKF7318B/DF SKFC4010TN9* SKFCR12X22X6HMSA7P2R SKFNAO17x35x16 SKFNJ2312E+HJ2312E SKFNUKR40A SKFRNA2207.2RS SKFW628/9-2Z

NUP2219ECP*圆柱滚子轴承近似的SKF轴承型号

SKFNJ2219ECM* SKFNU2219E SKFNU2219ECP* SKFNU2219ECP SKFNUP2219ECP* SKFNJ2219ECJ* SKFBC2B322191 SKFNU2219ECJ* SKFNUP2219E SKFNJ2219E SKFNUP2219ECP SKFNUP221ECP

用户关注最多的轴承狗热门型号

SKF  FYR1.1/2H-18 SNR  7214B/DB BARDEN  7008AC/DT LYC  NUP 208 M 国产  352014X2 SKF  NU212E KOYO  24130RH LYC  FCD 82120420/02(1*2) SKF  NATV6PPA 国产  NA153312 FAG  7200-B-2RS-TVP LYC  NU 29/630 NTN  NU2218 KOYO  NU426 TIMKEN  230/1060YMB

版权所有©2009-2015 轴承狗zcgou.com ICP备案:津ICP备14004550号-13