SKFNJ2219ECP*轴承详细参数

发布时间:2026-04-14
圆柱滚子轴承, 单列, NJ 设计
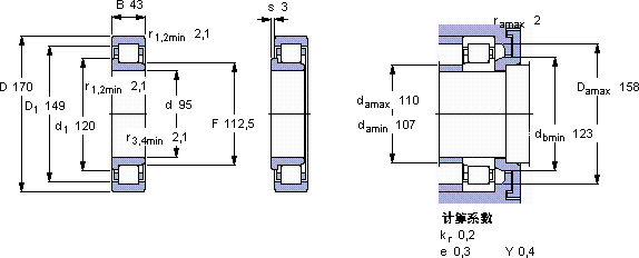
主要数据尺寸 基本负荷额定值 疲劳负荷限值 额定速度 体积 型号 适宜的斜挡圈
动态 静态 参照速度 限制速度 型号
d D B C C0 Pu * - SKF Explorer 轴承
mm kN kN r/min kg - -
951704332537545,5430048003,95NJ 2219 ECP *-

SKFNJ2219ECP*圆柱滚子轴承供应商

八零动力专业销售NJ2219ECP*圆柱滚子轴承,库存SKFNJ2219ECP*大量现货,与SKF合作,咨询热线:022-58519723业务咨询
SKFNJ2219ECP*是您机械世界里的不败功臣,质量无可挑剔的轴承,为设备的高效运作提供了有力支持转动的艺术设计合理、性能优良的轴承,是机械设备的理想之选精准承载它的故障率极低,确保了设备的稳定运行 ,八零动力SKF圆柱滚子轴承品种全,价格优,质量有保证!

用户关注最多的SKF轴承型号

SKF22318CC/W33 SKF239/850CAK/W33* SKF3201ATN9 SKF61984 SKF71915DB/P7 SKFBT4B328374/HA1 SKFCR35X56X10CRS1R SKFCR411004 SKFCR5085 SKFNCF2926CV SKFNUB215ECJ SKFNU252MA SKFRNA4901.2RS SKFSAFC2620x3.1/2 SKFUCFU209

NJ2219ECP*圆柱滚子轴承近似的SKF轴承型号

SKFNJ2219ECM* SKFNUP2219ECP* SKFNJ2219E SKFNJ2219ECJ* SKFNU2219ECJ* SKFNUP2219E SKFNU2219ECM* SKFBC2B322191 SKFNJ2219E+HJ2219E SKFNU2219ECP SKFNJ2219ECM* SKFNJ221E

用户关注最多的轴承狗热门型号

NSK  NN3015TKR FAG  SNV100-L + 1309-TVH + DHV309 FAG  SNV090-L + 22210-E1-K + H310X112 + DHV510 SKF  FSYE2.15/16N KOYO  3212A SKF  FY1.5/16TF NSK  7210A5TYNSULP4 BARDEN  7210C/DB NSK  7203BWG FAG  SNV170-L + 2219-M + FSV219 KOYO  7310C/DT FAG  NUP2211-E-TVP2 SKF  BEAM030080-2RS/PE SKF  FYRP2.11/16 IKO  CR30BUU

版权所有©2009-2015 轴承狗zcgou.com ICP备案:津ICP备14004550号-13