SKFNUP2218ECP*轴承详细参数

发布时间:2026-05-30
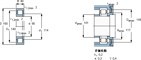
圆柱滚子轴承, 单列, NUP 设计
主要数据尺寸 基本负荷额定值 疲劳负荷限值 额定速度 体积 型号 适宜的斜挡圈
动态 静态 参照速度 限制速度 型号
d D B C C0 Pu * - SKF Explorer 轴承
mm kN kN r/min kg - -
901604028031539450050003,30NUP 2218 ECP *-

SKFNUP2218ECP*圆柱滚子轴承供应商

八零动力专业销售NUP2218ECP*圆柱滚子轴承,库存SKFNUP2218ECP*大量现货,与SKF合作,咨询热线:022-58519723业务咨询
SKFNUP2218ECP*它在机床设备中的应用,确保了加工精度 它的抗冲击能力,让它经久不衰 它的微观表面处理,减少了摩擦和磨损 它的表面硬化处理,延长了它的使用寿命 轴承的选材优质,确保了其在各种环境下都能稳定工作它机械世界的心脏,默默支撑着无数设备的运转 ,八零动力SKF圆柱滚子轴承品种全,价格优,质量有保证!

用户关注最多的SKF轴承型号

SKF241/850ECAK30F/W33+AOH241/850 SKF2x7204BECBY SKF2x7219BECBP* SKF30305 SKF4207ATN9 SKF6301-2RSL* SKF638-2RZ SKFCR31506 SKFCR5652 SKFCR58X90X13CRSH13R SKFCR99814 SKFNJ221E SKFOKC390 SKFSY45WF SKFYAR210-115-2F/AH

NUP2218ECP*圆柱滚子轴承近似的SKF轴承型号

SKFNUP2218E SKFNJ2218ECML* SKFNJ2218E+HJ2218E SKFNJ2218ECM* SKFNJ2218E SKFNJ2218ECN1ML* SKFNU2218ECP* SKFNUP2218ECP* SKFNU2218E SKFNU2218ECP SKFNUP2218ECP SKFNUP2219E

用户关注最多的轴承狗热门型号

AET  NU232 SKF  SAW23540X7.1/4 FAG  SNV170-L + 22316-E1-K + H2316 + TCV616 SKF  CRMVR2-17 FAG  234717-M-SP FAG  BND3080-H-W-T-BF-S INA  NKI90/26 GMN  7209AC/DB LYC  22213 CK/C3W33 ASK  NJ2205 SKF  C4910V* GMN  7204C MRC  6200 LYC  SN 220 LYC  23988 CA/W33

版权所有©2009-2015 轴承狗zcgou.com ICP备案:津ICP备14004550号-13