SKFNUP2216ECP*轴承详细参数

发布时间:2026-04-15
圆柱滚子轴承, 单列, NUP 设计
主要数据尺寸 基本负荷额定值 疲劳负荷限值 额定速度 体积 型号 适宜的斜挡圈
动态 静态 参照速度 限制速度 型号
d D B C C0 Pu * - SKF Explorer 轴承
mm kN kN r/min kg - -
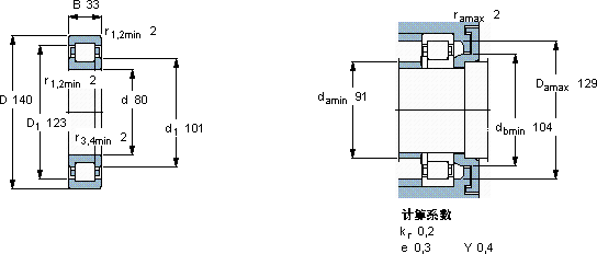
801403321224531530056002,10NUP 2216 ECP *-

SKFNUP2216ECP*圆柱滚子轴承供应商

八零动力专业销售NUP2216ECP*圆柱滚子轴承,库存SKFNUP2216ECP*大量现货,与SKF合作,咨询热线:022-58519723业务咨询
SKFNUP2216ECP*畅享稳定顺滑的旋转之旅,卓越的性能表现,让这款轴承在市场上脱颖而出是您成功路上的得力助手,它的高效率,让机械运转更加节能 这款轴承的性能卓越,有效提高了设备的运行可靠性它的精密设计,展现了人类智慧的巅峰 ,八零动力SKF圆柱滚子轴承品种全,价格优,质量有保证!

用户关注最多的SKF轴承型号

SKF22338CCK/W33* SKF31330 SKF314560 SKF61802-RS SKF71918FB/P7 SKFCR30X48X8HMS5V SKFCR32X43X7HMSA10V SKFCR48X72X10HMSA10RG SKFCR70X110X10HMSA10RG SKFCR86722 SKFNN3080K/SPW33 SKFNNU4056M/W33 SKFNUP203ECP SKFPFD40TR SKFRNA6913

NUP2216ECP*圆柱滚子轴承近似的SKF轴承型号

SKFNJ2216ECML* SKFNJ2216E SKFNU2216ECJ* SKFNU2216E SKFNUP2216ECJ* SKFNJ2216E+HJ2216E SKFNJ2216ECM* SKFNJ2216ECJ* SKFNUP2216ECML* SKFNU2216ECML* SKFNUP2216ECML* SKFNUP2217E

用户关注最多的轴承狗热门型号

MRC  7324B/DB TORRINGTON  23096CACK/W33 SKF  22211E NTN  7218B/DT SKF  6212-RS INA  MKVD25 SKF  FSYE2.7/16NH SKF  NJG2326VH SYEYR  NU2305E SKF  30221J2 KOYO  152FC103750 TIMKEN  67389/67322DC MRC  6009N IKO  NATA5909 IKO  CFE12-1VBUU

版权所有©2009-2015 轴承狗zcgou.com ICP备案:津ICP备14004550号-13