SKFNUP2215ECP*轴承详细参数

发布时间:2026-04-14
圆柱滚子轴承, 单列, NUP 设计
主要数据尺寸 基本负荷额定值 疲劳负荷限值 额定速度 体积 型号 适宜的斜挡圈
动态 静态 参照速度 限制速度 型号
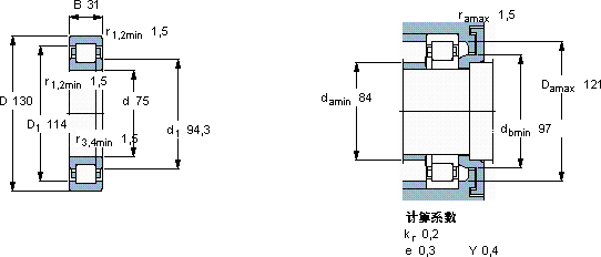
d D B C C0 Pu * - SKF Explorer 轴承
mm kN kN r/min kg - -
751303118620827560060001,65NUP 2215 ECP *-

SKFNUP2215ECP*圆柱滚子轴承供应商

八零动力专业销售NUP2215ECP*圆柱滚子轴承,库存SKFNUP2215ECP*大量现货,与SKF合作,咨询热线:022-58519723业务咨询
SKFNUP2215ECP*它的质量可靠,是众多机械设备制造商的首选配件承载重托它的设计巧妙,在保证性能的同时,还兼顾了安装的便捷性它的精密性,让它在高精度设备中无可替代 先进的制造技术,让这款轴承的质量达到了行业领先水平它的抗拉强度,让它经得起各种考验 ,八零动力SKF圆柱滚子轴承品种全,价格优,质量有保证!

用户关注最多的SKF轴承型号

SKF2211E-2RS1KTN9 SKF24168ECCJ/W33 SKF316351CA SKF32004X/Q SKF51148 SKF6214-2RS1/HC5C3WT SKF7014ACD/HCP4A SKF71914CE/HCP4A SKFCR24914 SKFFYRP1.1/2-18 SKFK45x59x32 SKFNUP210ECP SKFS71915FB/P7 SKFSYL1.1/4TH SKFYAR204-2RF/VE495

NUP2215ECP*圆柱滚子轴承近似的SKF轴承型号

SKFNU2215ECP* SKFNJ2215ECML* SKFNU2215ECP SKFNJ2215ECP SKFNJ2215E+HJ2215E SKFNUP2215ECJ* SKFNUP2215ECP SKFNUP2215ECP* SKFNU2215ECJ* SKFNJ2215E SKFNUP2215ECML* SKFNUP2216E

用户关注最多的轴承狗热门型号

NTN  61902-Z NACHI  7040C FAG  234440-M-SP SKF  6202-2RS SKF  CR18582 KOYO  53238 FAG  HSS7018-C-T-P4S TORRINGTON&FAFNIR  7210C FAG  NJ304-E-TVP2 + HJ304E NACHI  6901NR MRC  7308AC MAC  N422 NTN  BK1416 FAG  23292-K-MB + H3292 IKO  KT121812

版权所有©2009-2015 轴承狗zcgou.com ICP备案:津ICP备14004550号-13