SKFNUP2215ECML*轴承详细参数

发布时间:2026-05-30
圆柱滚子轴承, 单列, NUP 设计
主要数据尺寸 基本负荷额定值 疲劳负荷限值 额定速度 体积 型号 适宜的斜挡圈
动态 静态 参照速度 限制速度 型号
d D B C C0 Pu * - SKF Explorer 轴承
mm kN kN r/min kg - -
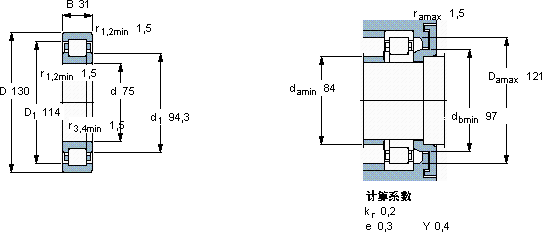
751303118620827560095001,65NUP 2215 ECML *-

SKFNUP2215ECML*圆柱滚子轴承供应商

八零动力专业销售NUP2215ECML*圆柱滚子轴承,库存SKFNUP2215ECML*大量现货,与SKF合作,咨询热线:022-58519723业务咨询
SKFNUP2215ECML*它的沟槽设计,完美匹配滚动体的运动轨迹 它的抗变形能力,让它在高负载下依然保持形状 它虽小,却是工业革命的基石 优秀的设计让这款轴承在运行时更加高效节能减少摩擦降低能耗它的抗压强度,让它承载能力惊人 ,八零动力SKF圆柱滚子轴承品种全,价格优,质量有保证!

用户关注最多的SKF轴承型号

SKF22244CCK/W33* SKF2302 SKF23230CCK/W33 SKF241/750ECAK30/W33 SKF248/800CAMA/W20 SKFCR20965 SKFCR50x68x8CRW1R SKFCR85x110x12HMS4R SKFHK0306TN SKFKD10-705 SKFNJ214ECM* SKFP52R-20TF SKFSAW23218 SKFSDAF23268KAx12.7/16 SKFTUM1.1/2TF

NUP2215ECML*圆柱滚子轴承近似的SKF轴承型号

SKFNJ2215ECML* SKFNUP2215E SKFNUP2215ECML* SKFNU2215E SKFNUP2215ECP SKFNU2215ECML* SKFNJ2215E SKFNU2215ECP* SKFNU2215ECJ* SKFNJ2215E+HJ2215E SKFNUP2215ECJ* SKFNUP2215ECP*

用户关注最多的轴承狗热门型号

FAG  H305X012 KOYO  47896R/20 TORRINGTON&FAFNIR  7313B FAG  HS7004-E-T-P4S SKF  KMK4 TORRINGTON&FAFNIR  3307 NACHI  NJ322E SKF  BTM130B/P4CDBB 国产  NU217ETN1 SKF  32236 -  7309AC FAG  AH3180-H SKF  6304-2ZNR SNR  7238C/DF FAG  BND2268-H-W-T-AF-S

版权所有©2009-2015 轴承狗zcgou.com ICP备案:津ICP备14004550号-13