SKFNUP2213ECP*轴承详细参数

发布时间:2026-05-30
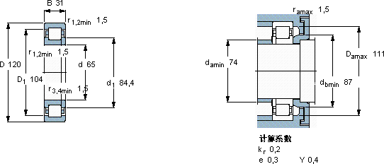
圆柱滚子轴承, 单列, NUP 设计
主要数据尺寸 基本负荷额定值 疲劳负荷限值 额定速度 体积 型号 适宜的斜挡圈
动态 静态 参照速度 限制速度 型号
d D B C C0 Pu * - SKF Explorer 轴承
mm kN kN r/min kg - -
651203117018024630067001,50NUP 2213 ECP *-

SKFNUP2213ECP*圆柱滚子轴承供应商

八零动力专业销售NUP2213ECP*圆柱滚子轴承,库存SKFNUP2213ECP*大量现货,与SKF合作,咨询热线:022-58519723业务咨询
SKFNUP2213ECP*它的每一次转动,都是对效率的极致追求 它的精密制造工艺,让人叹为观止 高精度的制造工艺,让这款轴承的性能更加出色高精度的制造工艺,造就了这款高品质的轴承它的品质卓越,为机械设备的高效运行提供了坚实后盾这轴承的设计精妙,充分考虑了各种实际应用需求,八零动力SKF圆柱滚子轴承品种全,价格优,质量有保证!

用户关注最多的SKF轴承型号

SKF23238CC/W33 SKF24088ECA/W33* SKF2x7309BECAP* SKF53306 SKF613328A SKF61800-RZ SKFCR17395 SKFCR21265 SKFCR90259 SKFFBSA207/QFC SKFGEP900FS SKFNJG2306VH SKFNNCF4830CV SKFNUP2232E SKFPCM404450E

NUP2213ECP*圆柱滚子轴承近似的SKF轴承型号

SKFNUP2213E SKFBCSB322213CC SKFNJ2213ECP* SKFNJ2213E+HJ2213E SKFNU2213E SKFNU2213ECML* SKFBCSB322213CD SKFNU2213ECP SKFNU2213ECP* SKFNU2213ECJ* SKFNUP2213ECP SKFNUP2214E

用户关注最多的轴承狗热门型号

LYC  6011 C3 LYC  212 X3V RIV  NJ315 NSK  NJ413W TIMKEN  66225/66462D+X1S-66225 LYC  51216 TIMKEN  JM612949/JM612910 RHP  NUP307 LYC  6202 E-2RS/C3Z1HT SKF  NCF1888V NTN  7016AC/DT LYC  NJ 314/C3 FAG  23120-E1A-K-M + AHX3120 MRC  61908 IKO  NA6913

版权所有©2009-2015 轴承狗zcgou.com ICP备案:津ICP备14004550号-13