SKFNUP219ECP*轴承详细参数

发布时间:2026-04-14
圆柱滚子轴承, 单列, NUP 设计
主要数据尺寸 基本负荷额定值 疲劳负荷限值 额定速度 体积 型号 适宜的斜挡圈
动态 静态 参照速度 限制速度 型号
d D B C C0 Pu * - SKF Explorer 轴承
mm kN kN r/min kg - -
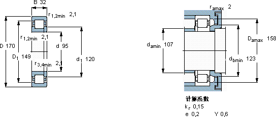
951703225526532,5430048003,00NUP 219 ECP *-

SKFNUP219ECP*圆柱滚子轴承供应商

八零动力专业销售NUP219ECP*圆柱滚子轴承,库存SKFNUP219ECP*大量现货,与SKF合作,咨询热线:022-58519723业务咨询
SKFNUP219ECP*是您设备高效运转的可靠伙伴,为设备的精确运行提供了保障,该轴承的精度控制精准,为设备的精确运行提供了保障它在包装机械中的应用,确保了设备的高效率 轴承的耐用性极佳,能够承受高强度的工作负荷轴承的选材精良,确保了其具有良好的耐磨性和抗腐蚀性它的润滑技术,让摩擦降至最低 ,八零动力SKF圆柱滚子轴承品种全,价格优,质量有保证!

用户关注最多的SKF轴承型号

SKF234738B SKF71902C/DT SKF71913ACE/P4A SKF71936ACD/P4A SKF7222BEGBF SKFCR18662 SKFCR18X30X6HMSA10RG SKFCR32392 SKFCR40X52X8HMS5RG SKFCR99192 SKFK40x45x27 SKFNCF3034CV SKFNJ315ECP* SKFQJ1040N2MA SKFS7019CD/P4A

NUP219ECP*圆柱滚子轴承近似的SKF轴承型号

SKFNJ219ECJ* SKFNUP219E SKFNU2219ECP SKFNJ2219E SKFNJ219ECP SKFNUP219ECP* SKFNU2219ECP* SKFNJ2219ECJ* SKFNJ2219ECP* SKFNUP2219ECP* SKFNUP219ECML* SKFNUP2203ECP

用户关注最多的轴承狗热门型号

SKF  CR99253 FAG  32026-X GMN  7005C BARDEN  71908C SKF  NN3032K/W33 KOYO  7226C/DT NACHI  7016DT FAG  BND3260-H-W-T-AL-S NTN  6318-2Z INA  LFS32-CE RIV  NU213 SKF  2209EKTN9 MRC  QJ304 FAFNIR  7204AC 国产  160016

版权所有©2009-2015 轴承狗zcgou.com ICP备案:津ICP备14004550号-13