SKFN219ECP*轴承详细参数

发布时间:2026-04-14
圆柱滚子轴承, 单列, N 设计
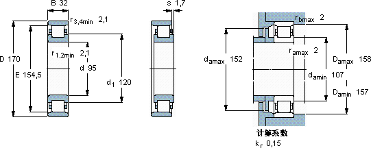
主要数据尺寸 基本负荷额定值 疲劳负荷限值 额定速度 体积 型号 适宜的斜挡圈
动态 静态 参照速度 限制速度 型号
d D B C C0 Pu * - SKF Explorer 轴承
mm kN kN r/min kg - -
951703225526532,5430048002,85N 219 ECP *-

SKFN219ECP*圆柱滚子轴承供应商

八零动力专业销售N219ECP*圆柱滚子轴承,库存SKFN219ECP*大量现货,与SKF合作,咨询热线:022-58519723业务咨询
SKFN219ECP*它的品质卓越,为机械设备的高效运行提供了坚实后盾轴承的稳定性和可靠性表现出色,赢得了用户的高度认可开启顺畅运行新时代,它的低摩擦设计,减少了能量损耗 它的高效率,减少了能源消耗 卓越的性能表现,使这款轴承在市场上拥有良好的口碑,八零动力SKF圆柱滚子轴承品种全,价格优,质量有保证!

用户关注最多的SKF轴承型号

SKF2213K+H313 SKF23068CC/W33 SKF32214J2/Q SKF33209 SKF7017AC/DB SKFBT4B328065/HA1 SKFCR19300 SKFFSYE2.3/4 SKFGE60TXE-2LS SKFPL56 SKFPCM120125120B SKFRLS4-2RS1 SKFS7015CD/P4A SKFSYH13/16TF SKFZ008F

N219ECP*圆柱滚子轴承近似的SKF轴承型号

SKFNU2219ECJ* SKFN219E SKFNU2219ECP* SKFNUP2219E SKFNJ2219ECP* SKFNJ219ECM* SKFNJ2219E SKFNUP219E SKFNU219ECM* SKFNJ219E+HJ219E SKFN219ECP SKFN2206

用户关注最多的轴承狗热门型号

INA  SCE2012-P SKF  K16x22x16 SKF  S71924CD/P4A MAC  NU2217 FAG  B7015-C-2RSD-T-P4S FAG  H2315X207 TORRINGTON  24038CC/W33 LYC  24180 CAK30/W33 SKF  319148B NSK  7203A5TYNDBLP4 SKF  CR24875 SKF  CR43131 NTN  22220CC/W33 INA  RCJY80 IKO  GE50ES

版权所有©2009-2015 轴承狗zcgou.com ICP备案:津ICP备14004550号-13