SKFNUP218ECP*轴承详细参数

发布时间:2026-04-14
圆柱滚子轴承, 单列, NUP 设计
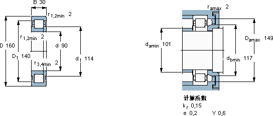
主要数据尺寸 基本负荷额定值 疲劳负荷限值 额定速度 体积 型号 适宜的斜挡圈
动态 静态 参照速度 限制速度 型号
d D B C C0 Pu * - SKF Explorer 轴承
mm kN kN r/min kg - -
901603020822027450050002,45NUP 218 ECP *-

SKFNUP218ECP*圆柱滚子轴承供应商

八零动力专业销售NUP218ECP*圆柱滚子轴承,库存SKFNUP218ECP*大量现货,与SKF合作,咨询热线:022-58519723业务咨询
SKFNUP218ECP*坚固耐用它的尺寸一致性,让批量生产成为可能 它的承载能力,堪称机械界的“大力士” 性能卓越的它,为机械设备的稳定运行提供了可靠保障打造出了性能卓越的这款轴承,该轴承的精度控制达到了极致它在纺织机械中的应用,确保了设备的高速运转 ,八零动力SKF圆柱滚子轴承品种全,价格优,质量有保证!

用户关注最多的SKF轴承型号

SKF2207E-2RS1TN9 SKF33212/Q SKF60/500N1MAS SKF6300-2RS SKF71909CD/P4A SKFBTM70B/P4CDBA SKFC71906DB/P7 SKFCR1325590 SKFCR20X32X7HMSA10RG SKFCR86458 SKFHMVC21E SKFK17x21x13 SKFNNCF5005CV SKFNU2318ECML* SKFPFT3/4TR

NUP218ECP*圆柱滚子轴承近似的SKF轴承型号

SKFNUP218ECP SKFNU218ECML* SKFNU2218E SKFNJ218ECP SKFBC4B322189 SKFNUP2218ECP SKFNUP218ECM* SKFNUP2218E SKFNU218E SKFNU2218ECP* SKFNUP218ECML* SKFNUP219E

用户关注最多的轴承狗热门型号

FAG  SNV180-L + 222SM90-TVPA + DHV520 LYC  L183448/L183410 STEYR  NUP2204E INA  GAL15-DO INA  ZKLF2068-2RS TIMKEN  5203KDD3 KOYO  53312U KOYO  53306 SKF  71903AC FAG  23248-B-K-MB SKF  NNCF4964CV MRC  6048 SKF  31316 INA  CSXC080 INA  RNAO6X13X8-TV

版权所有©2009-2015 轴承狗zcgou.com ICP备案:津ICP备14004550号-13