SKFNUP1864ECMP轴承详细参数

发布时间:2026-04-14
圆柱滚子轴承, 单列, NUP 设计
主要数据尺寸 基本负荷额定值 疲劳负荷限值 额定速度 体积 型号 适宜的斜挡圈
动态 静态 参照速度 限制速度 型号
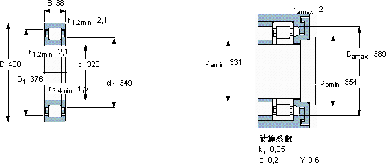
d D B C C0 Pu
mm kN kN r/min kg - -
32040038369710601600240011,7NUP 1864 ECMP-

SKFNUP1864ECMP圆柱滚子轴承供应商

八零动力专业销售NUP1864ECMP圆柱滚子轴承,库存SKFNUP1864ECMP大量现货,与SKF合作,咨询热线:022-58519723业务咨询
SKFNUP1864ECMP引领转动新潮流,它机械世界的心脏,默默支撑着无数设备的运转 它在化工设备中的应用,展现了它的耐腐蚀性 高精度的轴承,为设备的稳定运行提供了坚实保障它的抗冲击性能,让它经得起各种考验 轴承的稳定性和可靠性表现出色,赢得了用户的高度认可,八零动力SKF圆柱滚子轴承品种全,价格优,质量有保证!

用户关注最多的SKF轴承型号

SKF314964 SKF7214ACD/P4A SKFBT4B331358/HA4 SKFCR16889 SKFCR1850552 SKFCR21134 SKFCR360x390x15.88HS7R SKFCR400180 SKFCR9855 SKFCR99166 SKFKD21-805 SKFNKX17Z SKFNNCF5072CV SKFP72R-1.1/16TF SKFSAF22509

NUP1864ECMP圆柱滚子轴承近似的SKF轴承型号

SKFNU1864ECMP SKFNCF1864V SKFNCF1864V SKFNUP1864ECMP SKFNUP10/630ECMA/HA2 SKFNUP1876ECM

用户关注最多的轴承狗热门型号

FAG  SD3140-H-TS-B-L + 23140-B-K-MB SKF  33210 SKF  CR9858 SKF  FY3/4WF NACHI  32052 NSK  CM-UCFL215-300D1 INA  SL045034-PP SKF  BC2B320041 STEYR  NJ215 NSK  53417XU NSK  7201ADT FAG  SNV250-L + 23228-E1-K-TVPB + H2328X500 + TSV528X50 NTN  N1015 IKO  NA6902UU IKO  BSR15-50SL

版权所有©2009-2015 轴承狗zcgou.com ICP备案:津ICP备14004550号-13