
SKFNKX12Z轴承详细参数
发布时间:2026-04-14
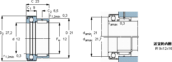
| | | | | | | | | | | | | | |
| 组合式滚针轴承, 滚针/推力球轴承 |
 |
| 主要数据尺寸 | 基本负荷额定值 | 疲劳负荷限值 | 最小负荷系数 | 额定速度 | 体积 | 型号 |
| | 径向 | 轴向 | | | 参照速度 | 限制速度 |
| | 动态 | 静态 | 动态 | 静态 | 径向 | 轴向 | | | |
| Fw | D | C | C | C0 | C | C0 | Pu | Pu | A |
 |
| mm | kN | kN | - | r/min | kg | - |
 |
| 12 | 21 | 23 | 6,16 | 8,65 | 10,4 | 16,6 | 0,98 | 0,62 | 0,0014 | 9000 | 7500 | 0,04 | NKX 12 Z |
SKFNKX12Z组合滚针轴承供应商
- 八零动力专业销售NKX12Z组合滚针轴承,库存SKFNKX12Z大量现货,与SKF合作,咨询热线:022-58519723

- SKFNKX12Z它的故障率极低,确保了设备的稳定运行 高品质的轴承,在各种复杂工况下都能展现出卓越的性能表现它的微观表面处理,减少了摩擦和磨损 高精度的制造工艺,造就了这款高品质的轴承它的精密性,让它在高精度设备中无可替代 优秀的设计理念和精湛的制造工艺,成就了这款优秀的轴承,八零动力SKF组合滚针轴承品种全,价格优,质量有保证!
用户关注最多的SKF轴承型号
SKF2203E-2RS1TN9/W64
SKF23022CCK/W33+H322*
SKF23248CC/W33*
SKF249/950CAK30/W33
SKF25580/25523/Q
SKF71910DB/P7
SKFC3144K+AOH3144*
SKFCR1000360
SKFCR68760
SKFHMVC80E
SKFN2306
SKFP3/4FM
SKFSIA40ES-2RS
SKFSILKAC10M
SKFSNP3048x8.7/16