
SKFNKIB5908轴承详细参数
发布时间:2026-05-30
| | | | | | | | | | | | | |
| 组合式滚针轴承, 滚针/角接触球轴承, 轴向负荷 双向 |
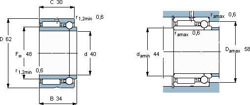
 |
| 主要数据尺寸 | 基本负荷额定值 | 疲劳负荷限值 | 额定速度 | 体积 | 型号 |
| | 径向 | 轴向 | | 参照速度 | 限制速度 |
| | 动态 | 静态 | 动态 | 静态 | 径向 | 轴向 | | |
| d | D | B | C | C0 | C | C0 | Pu | Pu |
 |
| mm | kN | kN | r/min | kg | - |
 |
| 40 | 62 | 34 | 42,9 | 71 | 7,17 | 10,9 | 8,8 | 0,467 | 8000 | 9500 | 0,32 | NKIB 5908 |
SKFNKIB5908组合滚针轴承供应商
- 八零动力专业销售NKIB5908组合滚针轴承,库存SKFNKIB5908大量现货,与SKF合作,咨询热线:022-58519723

- SKFNKIB5908每一次旋转,都是品质的见证,轴承的耐用性出色,能够长时间保持良好的工作状态没有轴承,现代机械将寸步难行,轴承的选材优质,确保了其在各种环境下都能稳定工作这款轴承的稳定性极佳,在长时间运行中也能保持良好状态轴承的精度极高,使得设备的运行误差被控制在极小范围内,八零动力SKF组合滚针轴承品种全,价格优,质量有保证!
用户关注最多的SKF轴承型号
SKF216-Z
SKF51256M
SKF61805
SKFFY1.TR
SKFFYTB30TF
SKFKD10-254
SKFKMFE15
SKFKMFE17
SKFN096
SKFNCF2915CV
SKFNJ226E+HJ226E
SKFRMS28
SKFSNL3076/13.15/16LTURT
SKFSYR2.15/16NH
SKFSYR3.-3