
SKFNKIB5902轴承详细参数
发布时间:2026-04-14
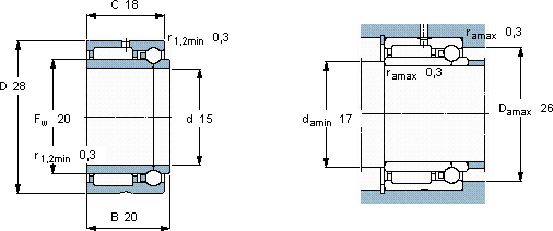
| | | | | | | | | | | | | |
| 组合式滚针轴承, 滚针/角接触球轴承, 轴向负荷 双向 |
 |
| 主要数据尺寸 | 基本负荷额定值 | 疲劳负荷限值 | 额定速度 | 体积 | 型号 |
| | 径向 | 轴向 | | 参照速度 | 限制速度 |
| | 动态 | 静态 | 动态 | 静态 | 径向 | 轴向 | | |
| d | D | B | C | C0 | C | C0 | Pu | Pu |
 |
| mm | kN | kN | r/min | kg | - |
 |
| 15 | 28 | 20 | 11,4 | 15,6 | 2,27 | 2,37 | 1,83 | 0,099 | 19000 | 22000 | 0,052 | NKIB 5902 |
SKFNKIB5902组合滚针轴承供应商
- 八零动力专业销售NKIB5902组合滚针轴承,库存SKFNKIB5902大量现货,与SKF合作,咨询热线:022-58519723

- SKFNKIB5902性能优越的轴承,极大地提高了设备的工作效率和稳定性顺滑无声卓越的性能和可靠的质量,让这款轴承成为市场的宠儿为您的机械注入强大动力,优秀的设计让这款轴承在运行时更加高效节能它的滚动体与沟槽的配合,堪称完美 ,八零动力SKF组合滚针轴承品种全,价格优,质量有保证!
用户关注最多的SKF轴承型号
SKF214NR
SKF239/630CAK/W33+OH39/630H*
SKF2x7309BECAP*
SKF61902-2RS1
SKF61828
SKF7001C/DB
SKFCR23655
SKFCR99060
SKFFYRP2.3/4-18
SKFFYT2.3/16RM
SKFN313ECP
SKFNK42/20
SKFOKBS70
SKFPCM161815E
SKFPCZ2028B