SKFNA22/6.2RS轴承详细参数

发布时间:2026-05-29
不带法兰圈支承滚子,有内圈
尺寸 基本负荷额定值 疲劳限值 最大径向负荷 限制速度 体积 型号
动态 静态 动态 静态
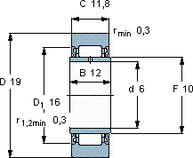
D d C C C0 Pu Fr F0r
mm kN kN kN r/min kg -
19611,83,5230,341,932,7570000,022NA 22/6.2RS

SKFNA22/6.2RS滚轮轴承供应商

八零动力专业销售NA22/6.2RS滚轮轴承,库存SKFNA22/6.2RS大量现货,与SKF合作,咨询热线:022-58519723业务咨询
SKFNA22/6.2RS稳定旋转的核心力量优秀的设计让这款轴承在运行时更加高效节能先进的生产工艺,让这款轴承的性能得到了极大提升先进的制造技术和严格的质量检测,造就了这款优质轴承设计合理、性能优良的它,是机械设备实现高效运行的重要保障这款轴承的稳定性极佳,在长时间运行中也能保持良好状态,八零动力SKF滚轮轴承品种全,价格优,质量有保证!

用户关注最多的SKF轴承型号

SKF22310EK+H2310* SKF240/1120CAF/W33 SKF6205-ZN SKF7006DB/P7 SKF71910ACD/P4A SKF7213AC/DF SKF7306BEP SKF7316BEY SKFCR15543 SKFCR31189 SKFCR46x72x8CRW1R SKFPFT1.FM SKFRN-4x21.8BF/G2 SKFRNA6918 SKFRNAO35x45x26

NA22/6.2RS滚轮轴承近似的SKF轴承型号

SKFRNA2204.2RS SKFNA2205.2RS SKFNA2208.2RS SKFKR22PPA SKFNA22/6.2RS SKFRNA2203.2RS SKFRNA2207.2RS SKFKR22B SKFNA2206.2RS SKFRNA22/6.2RS SKFNA2210.2RS SKFNA22/8.2RS

用户关注最多的轴承狗热门型号

INA  TKVD30 INA  LR35X40X12,5 SKF  NATV40PPA LYC  278790G2 SKF  7013CE/HCP4A FYH  UCFU317 LYC  NU 214 M KOYO  RF323724A-1 MRC  5200-SBKZ SKF  FNL518B KOYO  47T484127A TIMKEN  580/572D NACHI  6020Z IKO  TAMW6045 IKO  WS170230

版权所有©2009-2015 轴承狗zcgou.com ICP备案:津ICP备14004550号-13