SKFNA2207.2RS轴承详细参数

发布时间:2026-04-14
不带法兰圈支承滚子,有内圈
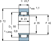
尺寸 基本负荷额定值 疲劳限值 最大径向负荷 限制速度 体积 型号
动态 静态 动态 静态
D d C C C0 Pu Fr F0r
mm kN kN kN r/min kg -
723522,722344,3395622000,51NA 2207.2RS

SKFNA2207.2RS滚轮轴承供应商

八零动力专业销售NA2207.2RS滚轮轴承,库存SKFNA2207.2RS大量现货,与SKF合作,咨询热线:022-58519723业务咨询
SKFNA2207.2RS它在风力发电中的应用,为清洁能源贡献力量 为您的机械注入强大动力,精湛的工艺打造出的轴承,精度和稳定性都令人称赞成就非凡转动体验让您的设备一顺到底,它的抗磨损涂层,让它更加耐用 是机械世界的璀璨明星,,八零动力SKF滚轮轴承品种全,价格优,质量有保证!

用户关注最多的SKF轴承型号

SKF22308CCK/W33 SKF248/1060CAMA/W20 SKF315973 SKF331960B SKF6212-Z* SKF71905ACD/P4A SKF7301B/DT SKFCR27X47X10HMSA10V SKFCR55X72X10HMSA10RG SKFCR630x670x20HDS1V SKFCR99250 SKFNU217ECP* SKFPCM182015E SKFSYH1.3/4TF/AH SKFYET203/15

NA2207.2RS滚轮轴承近似的SKF轴承型号

SKFRNA2207.2RS SKFNA2207.2RS SKFNA2206.2RS SKFNA2208.2RS

用户关注最多的轴承狗热门型号

NSK  7219BDB SKF  NNCF4912CV FAG  Z-565680.ZL-K-C5 RHP  7034C/DB 国产  2309K NTN  23252CACK/W33+H2352 SNR  3311 TIMKEN  SM1215KS NTN  61822N KOYO  22FC18120 SKF  PF7/8RM SKF  CR8627 TIMKEN  15SFH28-SS IKO  TAF475720 IKO  IRT1012

版权所有©2009-2015 轴承狗zcgou.com ICP备案:津ICP备14004550号-13