SKFNA2206.2RS轴承详细参数

发布时间:2026-05-30
不带法兰圈支承滚子,有内圈
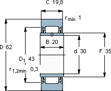
尺寸 基本负荷额定值 疲劳限值 最大径向负荷 限制速度 体积 型号
动态 静态 动态 静态
D d C C C0 Pu Fr F0r
mm kN kN kN r/min kg -
623019,817,624,5328,540,526000,32NA 2206.2RS

SKFNA2206.2RS滚轮轴承供应商

八零动力专业销售NA2206.2RS滚轮轴承,库存SKFNA2206.2RS大量现货,与SKF合作,咨询热线:022-58519723业务咨询
SKFNA2206.2RS它的抗冲击能力,让它经久不衰 它的热处理工艺,增强了它的硬度和韧性 质量上乘的轴承,是提升机械设备性能的关键因素先进的制造工艺,让这款轴承的性能更加稳定可靠让工作更高效,承载重托,八零动力SKF滚轮轴承品种全,价格优,质量有保证!

用户关注最多的SKF轴承型号

SKF21315EK+AH315G* SKF6016-2Z* SKF61803-2RZ SKF618/1180MB SKF619/670MA SKFC30/900MB* SKFCR27x42x7CRW1R SKFCR9803 SKFFYKC35NTH SKFFYT1.1/4ATF SKFLR15x18x16.5 SKFNUP322E SKFSAF22613x2.1/8 SKFSYE2.3/16H-18 SKFZ012

NA2206.2RS滚轮轴承近似的SKF轴承型号

SKFNA2206.2RS SKFRNA2206.2RS SKFNA2205.2RS SKFNA2207.2RS

用户关注最多的轴承狗热门型号

国产  6313-2RS FLT  N417 KOYO  46252A SKF  PFD20TF TORRINGTON&FAFNIR  3204A-Z LYC  LY-Q007 LYC  6205 E/P53Z2 TIMKEN  29340 LYC  NNU 6/530/C3W33XYA3/02 LYC  23080 K LYC  22224 K/C3W33S1 国产  6310-Z/Z2 NTN  30314 IKO  GBRI406028 IKO  TRU254425

版权所有©2009-2015 轴承狗zcgou.com ICP备案:津ICP备14004550号-13