SKFN319ECP*轴承详细参数

发布时间:2026-04-14
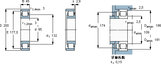
圆柱滚子轴承, 单列, N 设计
主要数据尺寸 基本负荷额定值 疲劳负荷限值 额定速度 体积 型号 适宜的斜挡圈
动态 静态 参照速度 限制速度 型号
d D B C C0 Pu * - SKF Explorer 轴承
mm kN kN r/min kg - -
952004539039046,5360043006,25N 319 ECP *-

SKFN319ECP*圆柱滚子轴承供应商

八零动力专业销售N319ECP*圆柱滚子轴承,库存SKFN319ECP*大量现货,与SKF合作,咨询热线:022-58519723业务咨询
SKFN319ECP*它在建筑机械中的应用,确保了设备的可靠性 它的高效率,减少了能源消耗 轴承的稳定性和可靠性表现出色,赢得了用户的高度认可它的抗氧化性能,延长了它的使用寿命 它的质量过硬,为机械设备的高效、安全运行提供了保障先进的生产工艺,让这款轴承的性能得到了极大提升,八零动力SKF圆柱滚子轴承品种全,价格优,质量有保证!

用户关注最多的SKF轴承型号

SKF2x7205BECBP* SKF304203A SKF3206A-2RS1 SKF608/500MA SKF6202-RSL* SKF7001AC/DF SKF71988ACMB SKFAHX2319/85 SKFBCRB326396/HA1 SKFBT2B332501A/HA4 SKFCR42x72x8HMS4R SKFFSYE4.15/16 SKFSONL238-538 SKFSY1.1/2RM SKFSY3/4TF/AH

N319ECP*圆柱滚子轴承近似的SKF轴承型号

SKFNJ2319ECML* SKFNU319ECJ* SKFNU319ECP SKF319436DA-2LS SKF319148B SKFNUP319ECP* SKFBC1M580-319470 SKFNUP319ECML* SKF319301 SKF319434DA-2LS SKFN319ECM* SKFN320E

用户关注最多的轴承狗热门型号

INA  GAKL20-PB TIMKEN  LM451349/LM451310 NTN  6024-Z LYC  NJ 2219 M INA  RASEY25-N LYC  NU 312 M/C4 STEYR  7314B/DT TIMKEN  29688/29622D+X1S-29688 TIMKEN  45285/45221 MRC  6211-2RS SKF  CR19803 NTN  22320B SKF  7014ACD/P4A MAC  NJ2334 IKO  NAG4913UU

版权所有©2009-2015 轴承狗zcgou.com ICP备案:津ICP备14004550号-13