SKF22340CCK/W33+AH2340*轴承详细参数

发布时间:2026-05-30
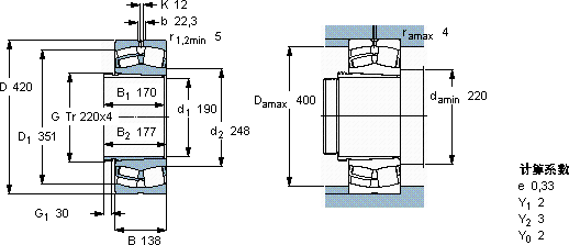
球面滚子轴承, 带退卸套的
主要数据尺寸 基本负荷额定值 疲劳负荷限值 额定速度 体积 型号
动态 静态 参照速度 限制速度 轴承 +退卸套
d1 D B C C0 Pu
* - SKF Explorer 轴承
mm kN kN r/min kg -
190420138232029002241200150010022340 CCK/W33 + AH 2340 *

SKF22340CCK/W33+AH2340*球面滚子轴承供应商

八零动力专业销售22340CCK/W33+AH2340*球面滚子轴承,库存SKF22340CCK/W33+AH2340*大量现货,与SKF合作,咨询热线:022-58519723业务咨询
SKF22340CCK/W33+AH2340*其设计和制造都达到了极高的水准,是一款不可多得的轴承质量无可挑剔的轴承,在行业内树立了良好的口碑和形象品质永相随它的耐高温性能,减少了冷却系统的能耗 它的使用寿命,远超同类产品 性能优越的轴承,极大地提高了设备的工作效率和稳定性,八零动力SKF球面滚子轴承品种全,价格优,质量有保证!

用户关注最多的SKF轴承型号

SKF21318EK* SKF51322 SKFCR17X40X10HMS5RG SKFCR19240 SKFFNL508B SKFHK2820 SKFN022 SKFNKI45/35 SKFNN3009TN/SP SKFNUP324ECML* SKFPCMW264401.5M SKFRNAO8x15x10TN SKFSYE2.1/2NH-118 SKFT7FC080/QCL7C SKFWS81160

22340CCK/W33+AH2340*球面滚子轴承近似的SKF轴承型号

SKF22340CCK/W33* SKF22340CCK/W33+AH2340* SKF22340CCJA/W33VA405* SKF22340CCKJA/W33VA405* SKF22340CCJA/W33VA406* SKF22340CC/W33* SKF22340CCK/W33+H2340* SKF22340CCK/W33* SKF22340CCK/W33+H2340*

用户关注最多的轴承狗热门型号

NACHI  7232BDF LYC  33885/33822 LYC  7209 CT/P5 DT NTN  7211AC/DF LYC  NU 228 EM/P63 国产  NKXR20 NSK  NUP2311W TORRINGTON  23072CACK/W33+H3072 MRC  6307N 国产  629-RS FLT  NJ408 LYC  32011 X2/DF NSK  CM-UCFL211D1 TIMKEN  42350 /42587-B FAG  BND3068-H-W-T-BF-S

版权所有©2009-2015 轴承狗zcgou.com ICP备案:津ICP备14004550号-13