SKFN312ECM*轴承详细参数

发布时间:2026-05-30
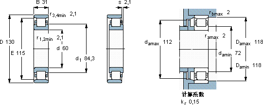
圆柱滚子轴承, 单列, N 设计
主要数据尺寸 基本负荷额定值 疲劳负荷限值 额定速度 体积 型号 适宜的斜挡圈
动态 静态 参照速度 限制速度 型号
d D B C C0 Pu * - SKF Explorer 轴承
mm kN kN r/min kg - -
601303117316020,8560067001,80N 312 ECM *-

SKFN312ECM*圆柱滚子轴承供应商

八零动力专业销售N312ECM*圆柱滚子轴承,库存SKFN312ECM*大量现货,与SKF合作,咨询热线:022-58519723业务咨询
SKFN312ECM*是您设备高效运转的可靠伙伴,质量无可挑剔的轴承,在行业内树立了良好的口碑和形象它的精密测量技术,确保了每一件产品的品质 性能优越的轴承,极大地提高了设备的工作效率和稳定性它的可靠性,赢得了无数用户的信赖 就是选择高效与可靠,八零动力SKF圆柱滚子轴承品种全,价格优,质量有保证!

用户关注最多的SKF轴承型号

SKF23184CKJ/W33+OH3184H* SKF309-2ZNR SKF7019AC/DT SKF7211BECBJ SKFCR25X42X6HMS5V SKFCR25X52X8HMSA10V SKFCR380x420x20HDS2R1 SKFCR99049 SKFGE60ES SKFGEP280FS SKFHK5520 SKFM80x2 SKFNNF5044ADA-2LSV SKFPFT3/4WF SKFSAF22538x6.7/8

N312ECM*圆柱滚子轴承近似的SKF轴承型号

SKFNUP2312ECP SKFNUP312ECM* SKFNU2312ECP SKFNU312ECM* SKFN312ECM* SKF312942 SKF312966D SKF312979D SKFNUP2312ECML* SKFNJ2312ECM* SKFN312ECJ* SKFN312ECP*

用户关注最多的轴承狗热门型号

SKF  KMFE18 NSK  NN3940MBKR FAG  23136-E1A-K-M + AH3136A TIMKEN  71432/71750 SKF  CR408003 RHP  6313-2RS KOYO  7321C/DF TIMKEN  82576/82951CD/X1S-82576 SKF  30211J2/Q STEYR  NUP2209 SKF  C31/630MB* NTN  6010N ASAHI  UCK324 SKF  C31/530KM/HA3C4* IKO  CF12WBUUR/SG

版权所有©2009-2015 轴承狗zcgou.com ICP备案:津ICP备14004550号-13