

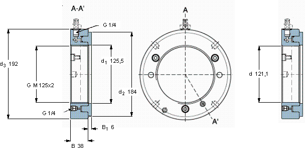
| Hydraulic nuts, metric sizes | ||||||||||||
| 螺纹尺寸 | 尺寸 | Permitted | Piston area | 体积 | 型号 | |||||||
| piston | ||||||||||||
| G | d1 | d2 | d3 | B | B1 | displacement | ||||||
| mm | mm (metric sizes) | mm | mm | mm2 (metric sizes) | kg | - | ||||||
| in - threads/in (inch sizes) | in2 (inch sizes) | |||||||||||
| 125 | M 125x2 | 125,5 | 184 | 192 | 38 | 6 | 5 | 6200 | 5,35 | HMV 25E | HMV 25E/A101 | |
版权所有©2009-2015 轴承狗zcgou.com ICP备案:津ICP备14004550号-13